长动控制线路原理图解_长动控制线路项目小结
时间:2023-03-11来源:佚名
|
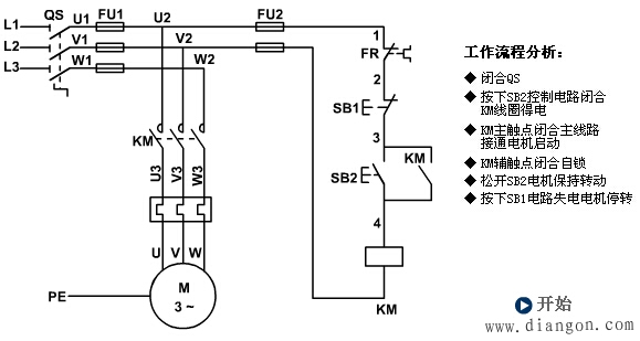
长动,是在按下按钮后,接触器的线圈的电吸合后,接触器自身带的辅助触点也同时吸合,从而即使按钮送开后接触器的线圈还因辅助触点接通,始终处于吸合状态而得电,只有按下停止按钮后才会断开.使电动机停止。控制原理图如下所示: 工作原理: 启动:接通电源开关QS →按下起动按钮SB2 →接触器KM吸合→电动机M起动运行 →同时KM常开触点也闭合 →电动机仍继续运行。 停止: 按下停止按钮SB1时→ KM线圈断电,接触0S所有触点断开→电动机停转。 |








