汽车电喇叭的结构和工作原理
|
1、 作用 发出信号提醒行人和其他车辆,引起注意,保证行车安全。 2、 种类 按使用的能量分类: 气喇叭:利用气流使金属膜片振动而发出声响,用于有空气制动器的载货汽车; 电喇叭:利用电磁线圈使金属膜片振动而发出声音,目前广泛使用。 电子喇叭:利用晶体管组成的多谐振荡器和功率放大器来推动膜片的运动,发出声响。 按外形分类: 筒形:以扬声筒为共鸣体,音响效率高,音色优美,安装空间较大,多用于气喇叭。 螺旋形: 原理与筒形相同,但音色优美,占用空间小。 盆形: 体积小、质量轻、方向性好,噪声小。 3、 盆形电喇叭 结构:电磁铁采用螺管式结构,铁心上绕有线圈,上、下铁心间的气隙在线圈中间,能产生较大的吸力。无扬声筒,而是将上铁心、膜片和共鸣板固装在中心轴上,如图1所示。
图1 盆形电喇叭 1—磁化线圈;2—活动铁心;3—膜片;4—共鸣片;5—振动片;6—外壳;7—铁心;8—螺母;9—按钮 工作情况:盆形电喇叭工作原理与螺旋形相同,当接通电路时,线圈产生吸力,上铁心被吸下与下铁心碰撞,产生较低的基本频率,并激励与膜片一体的共鸣板产生共鸣,从而发出比基本频率强得多且分布比较集中的谐音。 4、 螺旋形电喇叭 结构:山形铁心和线圈、振动膜片、触点支架和触点、衔铁组成等。衔铁通过中心螺栓与振动膜片相联,膜片下固定有共鸣盘,膜片下部是扬声筒,扬声筒可为螺旋或筒形,如图2所示。
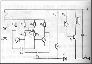
图2 螺旋形电喇叭 1—铁心;2—衔铁;3—弹片;4—调整螺母;5—锁紧螺母;6—螺钉;7—支架;8—活动触点;9—固定触点;10—防护罩;11—绝缘片;12—灭弧电容;13—磁化线圈;14—传心筒;15—中心螺杆;16—膜片 工作情况:按下按钮,电路接通,电流回路为:蓄电池→线圈→触点→按钮→蓄电池。线圈产生吸力,吸下衔铁,打开触点,电路被切断,吸力消失,衔铁回位,电路重新被接通。重复上述过程,衔铁不断上下移动带动膜片振动,通过共鸣器产生共鸣,由扬声器发出一定声调的音波,由扬声筒加强后传出。 5、 电子喇叭 结构:喇叭本身的结构与电喇叭相似,但体积更小,且没有触点,振动的频率高,控制的方式不同,如图3所示。
图3 电子喇叭结构 控制电路图:如图4所示。
图4 电子喇叭控制电路图 工作情况:电子喇叭发声的基本原理是通过控制喇叭线圈的电流,使电磁吸力时有时无,从而控制膜片的前后运动实现发声的。三极管T1、T2和T3构成一个多谐振荡器,其工作电源由稳压管提供。T4和T5作为功率放大器,控制喇叭线圈的电流。当振荡器T2截止时,T3截止,T4和T5导通,喇叭线圈中有电流通过,产生电磁吸力吸动膜片。当振荡器T2导通时,T3导通,T4和T5截止,喇叭线圈中无电流通过,膜片复位。 6、 喇叭继电器 作用:喇叭工作时,通过的电流较大(10-15A),为了保护喇叭开关不致因电流过大烧蚀。如图5所示。
图5 喇叭继电器 工作情况:按下喇叭按钮,继电器线圈通电,吸下触点,接通喇叭的电源电路。松开喇叭按钮,继电器线圈失电,触点打开,喇叭不工作。 7、 喇叭的调整 音调的调整:音调的高低取决于膜片振动的频率,而膜片的振动是由衔铁来驱动的,通过改变衔铁与铁心之间的间隙可以改变膜片的振动频率,从而改变音调。间隙增大,频率下降,音调降低,反之升高。 音量的调整:喇叭音量的大小取决于流过喇叭的电流。电流越大,音量也越大,反之则小。喇叭音量的调整是通过改变触点间的压力来调整电流大小的。 |













