cmos门电路的特点_CMOS门电路的工作原理及特性
|
MOS逻辑门电路是继TTL之后发展起来的另一种应用广泛的数字集成电路。由于它功耗低、抗干扰能力强、工艺简单,几乎所有的大规模、超大规模数字集成器件都采用MOS工艺。就其发展趋势看,MOS电路特别是CMOS电路有可能超越TTL成为占统治地位逻辑器件。 CMOS逻辑门电路是由N沟道增强型MOS管和P沟道增强型MOS管互补而成,通常称为互补型MOS逻辑电路,简称CMOS逻辑电路。下面以CMOS非门为例介绍CMOS门电路的工作原理及特性。 1、CMOS非门
(1)电路结构及工作原理 CMOS非门的基本电路结构如图1所示,其中TP是P沟道增强型MOS管,TN是N沟道增强型MOS管。 假如TP和TN的开启电压分别为UTP和UTN,则要求VDD>UTP UTN。 当输入为低电平,即ui=0时,TN截止,TP导通,故uo≈VDD,输出高电平。 当输入为高电平,即ui=VDD时,TP截止,TN导通,故uo≈0,输出低电平。所以该电路实现了非逻辑。 通过以上分析可以看出,在CMOS非门电路中,无论电路处于何种状态,TP、TN中总有一个截止,所以它的静态功耗极低,有微功耗电路之称。 (2)电压传输特性 在图1所示的CMOS非门电路中,设VDD>UTP UTN。,且UTP=UTN,TP和TN具有同样的导通内阻RON和截止内阻ROFF,则输出电压随输入电压变化的曲线,即电压传输特性如图2所示。
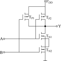
从图2所示的曲线上可以看出,CMOS非门的电压传输特性不仅有阀值电压UT=1/2VDD的特点,而且曲线转折区的曲率很大,因此更接近于理想的开关特性,从而使CMOS非门电路获得了更大的输入端噪声容限。 2、CMOS与非门电路 CMOS与非门电路如图3所示。驱动管TN1和TN2为N沟道增强型MOS管,两者串联,负载管TP1和TP2为P沟道增强型MOS管,两者并联,负载管整体与驱动管相串联。
当A、B两个输入端均为高电平时,TP1和TP2,TN1和TN2导通,Y输出低电平;当A、B两个输入端中有一个以上为低电平(如A端为低电平)时,TP2导通,其他管均截止,Y输出高电平,实现了与非逻辑。CMOS与非门电路在结构上也是互补对称的,因此它具有和CMOS非门电路相同的优点。 3、CMOS或非门电路 CMOS或非门电路如图4所示。驱动管TN1和TN2为N沟道增强型MOS管,两者并联,负载管TP1和TP2为P沟道增强型MOS管,两者串联,驱动管整体与负载管相串联。
当A、B两个输入端全为“1”时,输出端Y为低电平;只有当A、B全为“0”时,Y才输出高电平。实现了或非逻辑关系。
|












