点火系元器件的检测
|
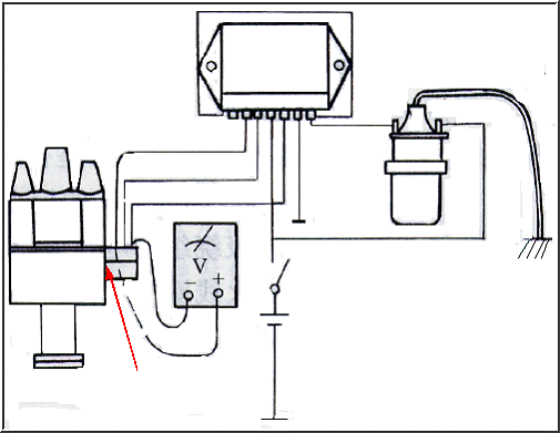
1、 点火线圈 用万用表电阻档分别测量初、次绕组的电阻。若测量得电阻无穷大,则为绕组有断路故障;若电阻过大或过小,则说明绕组有接触不良或短路故障。用万用表测点火线圈接线柱与点火线圈外壳之间的电阻,若电阻为零,说明绕组搭铁;若电阻小于50MΩ说明绝缘性能差。 2、 分电器的检测 配电器:检测分电器盖有无裂纹、碳柱是否太短及有无弹性;测量高压接线柱的绝缘性和用高压试火法检查其是否漏电;检测高压导线是否破损并测量其电阻,电阻应在25KΩ以下。 点火提前装置:使真空点火提前机构不起作用,用专用的点火正时灯检查随发动机转速提高,点火提前角是否增大可判断离心式点火提前机构是否起作用;使发动机在2000r/min,用真空泵抽吸真空提前机构,观察发动机工作情况是否改变,可判断真空点火提前机构是否失效。 3、 火花塞的检测 短路法:发动机高速或低速运转时,用起子将火花塞短路,如发动机的声音及转速无明显变化,则说明火花塞故障; 目测法:将火花塞从气缸中取出,装于高压线上并使火花塞外壳与气缸接触进行点火试验,若火花塞不跳火,则表明火花塞故障。 4、 磁感应信号发生器的检测 检查转子与定子之间气隙,应为0.2--0.4㎜,如不符,进行调整; 检查感应线圈电阻,电阻无穷大,则为线圈断路;过大或过小都需更换信号发生器总成。 5、 霍尔式信号发生器的检测 关掉点火开关,打开分电器盖,拔下分电器盖上的中央高压线并搭铁,如图1所示;将电压表两触针接在霍尔信号发生器连接器信号线(绿白线)和搭铁线(棕白线)间(或控制器插头3 、6 之间) ; 合上点火开关,起动发动机,观察电压表读数,当触发叶轮的叶片在空气隙时,其电压值为2--9V ;当触发叶轮的叶片不在空气隙时,其电压值为0.3--0.4V ; 若与标准不符,应更换霍尔传感器。
图1 霍尔信号发生器的检查方法 |






