简单的单片机I/O口扩展
时间:2023-03-11来源:佚名
|
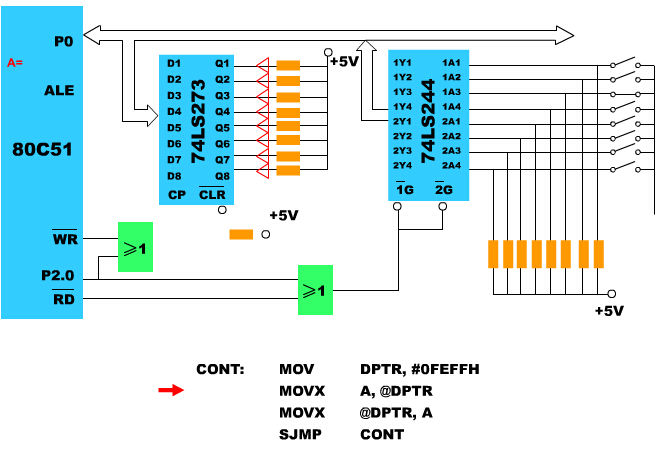
简单的I/O口扩展通常是采用TTL或CMOS电路锁存器、三态门等作为扩展芯片,通过P0口来实现扩展的一种方案。它具有电路简单、成本低、配置灵活的特点。 1.扩展实例 图为采用 74LS244作为扩展输入、74LS273作为扩展输出的简单I/O口扩展。 2.芯片及连接说明 电路中采用的芯片为TTL电路74LS244、74LS273。其中74LS244为8缓冲线驱动器(三态输出), 因为74LS244和74LS273都是在P2.0为0时被选通的,所以二者的口地址都为FEFFH(这个地址不是唯一的,只要保证P2.0=0,其它地址位无关)。但是由于分别由而 |















