集电极开路的门(OC门)电路图解
时间:2023-03-11来源:佚名
|
在工程实践中,有时需要将几个门的输出端并联使用,以实现与逻辑,称为线与。前面讲过的TTL门电路的输出结构决定了它不能进行线与。 如图1所示,如果将G1、G2两个TTL与非门的输出直接连接起来,当G1输出为高电平,G2输出为低电平时,从G1的电源VCC通过G1的T4、D到G2得T3,形成一个低阻通路,产生很大的电流,输出既不是高电平也不是低电平;逻辑功能将被破坏,还可能烧坏器件。所以普通的TTL门电路是不能进行线与的。 为满足实际应用中实现线与的要求,专门生产了一种可以进行线与的门电路——集电极开路门电路,简称OC门。 OC与非门电路如图2所示。与普通TTL与非门电路相比,去掉了图2所示TTL与非门电路中的三极管T4和二极管D,使输出端三极管T3的集电极开路,故称为集电极开路门电路。
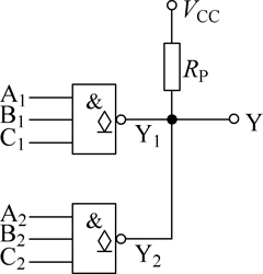
OC门可以实现线与。图3所示为两个OC与非门实现线与时的电路。
此时的逻辑关系为:
即在输出线上实现了与运算,通过逻辑变换可转换为与或非运算。 |











