含有理想运算放大器的电路的分析
时间:2023-03-11来源:佚名
|
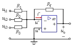
(1)分析方法 ①根据理想运放的性质,抓住以下两条规则: (a)反相端和同相端的输入电流均为零:“虚断(路)”; (b)对于公共端(地),反相输入端的电压与同相输入端的电压相等:“虚短(路)”。 ②合理地运用这两条规则,并与结点电压法相结合 (2)典型电路 ①加法器:输出信号uo为输入信号ui1、ui2、ui3之和。
图 加法器 分析:根据“虚断”和“续断”,以及电路联接关系,得到,u+=u-=0;i-=0; 所以,ui1/R1 ui2/R2 ui3/R3=-uo/Rf(KCL), 移项得到,uo=-(Rf/R1ui1 Rf/R2ui2 Rf/R3ui3) 所以图所示的集成运放为比例加法器:y=a1x1 a2x2 a3x3。 ②减法器:输出信号uo为输入信号ui1和ui2之差。
图2 减法器 分析:根据“虚断”和“续断”,以及电路联接关系,得到,u+=u-;i-=0,所以i1=if; 又因为 所以
③同相比例器:输出与输入成比例。
图3 同相比例器 分析:根据“虚断”和“续断”,以及电路联接关系,得到,u+=u-=ui;i+=i-=0; 所以,(uo-u-)/R1=u-/R2,整理后得到uo=[(R1 R2)/R2]ui=(1 R1/R2)ui。 注意: ①uo与ui同相; ②当R2=∞,R1=0时,uo=ui,为电压跟随器; ③输入、输出关系与运放本身参数无关。 |
,而









