电力线路的参数和等值电路
时间:2023-03-11来源:佚名
|
1.力线路的参数 (1)电阻、电感(电抗)线路的电感以电抗的形式计算、电导、电容(电纳)而线路的电容则以电纳的形式计算。 电力线路的参数是均匀分布,电阻、电抗、电导和电纳都是沿线路长度均匀分布的。 (2)工程上: 1)线路的电阻:
2)线路的电抗:阻碍电流流动的能力用电抗来度量。用每相导线单位长度的电抗进行计算。 3)线路的电导阻 :由沿绝缘子的泄漏电流和电晕现象决定的。用单位长度的电导进行计算。 4)线路的电纳 :导线之间及导线对大地之间的电容决定。 2.电线路的等值电路与基本方程 输电线路在正常运行时三相参数是相等的,可以只用其中的一相作出等值电路。电力线路的单相等值电路如图2。
(1)短线路的等值电路与基本方程 由于电压不高,这种线路电纳的影响不大,可略去。因此短线路的参数只有一个串联总阻抗。短线路的等值电路见图3。
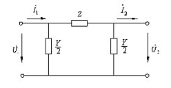
(2)中等长度线路的等值电路与基本方程 这种线路电压较高,线路的电纳一般不能忽略,等值电路常为Π形等值电路,如图4。
(3)长线路的等值电路 必须考虑分布参数特性的影响。将分布参数乘以适当的修正系数就变成了集中参数,从而绘出用集中参数表示的等值电路,见图5。
|
式中,l:导线的长度,r1:单位长度的电阻。









