点动控制电路原理图解
时间:2023-03-11来源:佚名
|
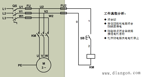
点动控制是指按下按钮电动机得电起动运转,松开按钮电动机失电直至停转. 控制线路原理图如下所示: 工作原理: 启动:按下起动按钮SB→接触器KM线圈得电→KM主触头闭合→电动机M启动运行。 停止:松开按钮SB→接触器KM线圈失电→ KM主触头断开→电动机M失电停转。 |
|
点动控制是指按下按钮电动机得电起动运转,松开按钮电动机失电直至停转. 控制线路原理图如下所示: 工作原理: 启动:按下起动按钮SB→接触器KM线圈得电→KM主触头闭合→电动机M启动运行。 停止:松开按钮SB→接触器KM线圈失电→ KM主触头断开→电动机M失电停转。 |







