BJT管的电流分配和放大原理
时间:2023-03-11来源:佚名
|
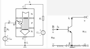
晶体管具有放大作用:基极电流的微小变化能够引起集电极电流的较大变化。BJT管电流放大作用原理图如图1所示。共射接法的三极管如图2所示。 晶体管放大的内部条件——制造时使基区很薄且杂质浓度远低于发射区等; 外部条件——发射结正向偏置、集电结反向偏置。 |
|
晶体管具有放大作用:基极电流的微小变化能够引起集电极电流的较大变化。BJT管电流放大作用原理图如图1所示。共射接法的三极管如图2所示。 晶体管放大的内部条件——制造时使基区很薄且杂质浓度远低于发射区等; 外部条件——发射结正向偏置、集电结反向偏置。 |






