电阻的串联和并联教案
|
在电路中,电阻的连接形式是多种多样的,其中最简单和最常用的是串联与并联。 一、电阻的串联 如果电路中有两个或两个以上电阻一个接一个地顺序相连,并且在这些电阻中通过同一电流,则这样的连接方式称为电阻的串联。图1(a)所示为N个电阻串联的电路。
图1电阻的串联 N个电阻串联可用一个等效电阻Req来代替,如图1(b)所示,等效的条件是在同一电压U的作用下电流I保持不变。等效电阻等于各个串联电阻之和,即
显然,等效电阻Req必大于任一个串联的电阻。 串联电阻上的电压有如下分压公式
可见,串联电阻上电压的分配与电阻成正比。式(2)称为分压公式。 电阻串联的应用很多。譬如在负载的额定电压低于电源电压的情况下,通常需要与负载串联一个电阻,以降落一部分电压。有时为了限制负载中通过过大的电流,也可以与负载串联一个限流电阻。如果需要调节电路中的电流时,一般也可以在电路中串联一个变阻器来进行调节。另外,改变串联电阻的大小可以得到不同的输出电压。 二、电阻的并联 如果电路中有两个或两个以上电阻连接在两个公共的结点之间,则这样的连接方式称为电阻的并联。在各个并联支路(电阻)上的电压为同一电压。图2(a)所示是N个电阻并联的电路。
图2电阻的并联 N个电阻并联也可用一个等效电阻Req来代替,如图2(b)所示。等效电导等于并联的各电导之和,即
或
电阻并联时各电阻中的电流为:
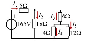
可见,并联电阻上电流的分配与电导成正比,即与电阻成反比。当其中某个电阻较其他电阻大很多时,通过它的电流就较其他电阻上的电流小很多,因此,这个电阻的分流作用常可忽略不计。 一般负载都是并联运用的。负载并联运用时,它们处于同一电压之下,任何一个负载的工作情况基本上不受其他负载的影响。并联的负载电阻愈多(负载增加),则总电阻愈小,电路中总电流和总功率也就愈大。但是每个负载的电流和功率却没有变动(严格地讲,基本不变)。 三、电阻的串并联 电路中有电阻的串联,又有电阻的并联,这种连接方式称电阻的串并联。 例1计算图示电路中各支路的电压和电流。
图3 解:通过分析电阻的串并联关系化简电路,求出等效电阻,再根据串联分压、并联分流的特点,求解支路电流和电压。
注意: 从以上例题可归纳出求解串、并联电路的一般步骤: ①求出等效电阻或等效电导; ②应用欧姆定律求出总电压或总电流; ③应用欧姆定律或分压、分流公式求各电阻上的电流和电压; ④以上的关键在于识别各电阻的串联、并联关系! |
(1)
(2)
(3)
(4)
(5)










