一、电动机起停控制线路
根据异步电动机直接起停控制线路,用plc程序设计相应的梯形图程序。
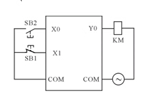
PLC的接线图,如图(b)所示,梯形图如图(c)所示。
SB1—00000(X0)为停止按钮
SB2—00001(X1)为起动按钮

二、正反转控制电路
根据电动机直接正反转原理,用PLC设计其控制程序。
SB1—00000(X0)为停止按钮
SB2—00001(X1)为正转起动按钮
SB3—00002(X2)为反转起动按钮
KM1—01000(Y0)为正转接触器
KM2—01001(Y1)为反转接触器

1、互锁问题
Y0、Y1软件互锁:Y0、Y1不能同时为ON,确保KM1、KM2线圈不能同时得电。
X1、X2机械联锁:正、反转切换方便。
问题:1)正、反转切换时PLC高速,而机械触点动作低速(短弧),造成瞬间短路;
2)当接触器发生熔焊而粘结时,发生相间短路。
解决办法:
KM1、KM2硬件互锁:机械响应速度较慢,动作时间往往大于程序执行的一个扫描周期。
2、过载保护问题
1)手动复位热继电器
按C图接线,可以节约PLC的一个输入点。
2)自动复位热继电器
常闭触点不能接在PLC的输出回路,必须接在输入回路(常闭或常开触点)。
如图所示:

3、常闭触点输入信号的处理
说明:输入触点即可以接常开,也可以接常闭,如上图所示输入继电器与输入触点的对应关系为
X0=SB
X1=
建议使用常开触点作为PLC的入信号。
●时序控制设计
三、延时接通程序(通电延时)
1、按下起动按钮X0,延时5s后输出Y0接通;当按下停止按钮X1后,输出Y0断开,试设计PLC程序。
按钮:松开后复位,必须使用辅助继电器及自锁电路,使定时器线圈能保持通电。


2、按下起动开关X0,延时5s后输出Y0接通;当按下停止按钮X1后,输出Y0断开,试设计PLC程序。

四、延时断开程序(断电延时)
输入信号X0接通后,输出Y0马上接通;当X0断开后,输出延时5s后断开。

五、延时接通延时断开程序
X0控制Y1,要求在X0变为ON后延时9S后Y1才变为ON,X0变为OFF再过7S才变为OFF。

六、长延时程序
FX2N系列PLC的定时器最长定时时间为3276.7s,下面介绍长延时程序。
1、多个定时器组合
用FX2N系列PLC实现5000s的延时程序。

说明:利用定时器的组合,可以实现大于3276.7s的定时,但很长的几万秒甚至更长的定时,需用定时器与计数器的组合来实现。
2、定时器与计数器的组合
为当X0接通后,延时20000s,输出Y0接通;当X0断开后,输出Y0断开。
定时器加计数器实现的延时20000s程序
3、两个计数器组合
PLC内部的特殊辅助继电器提供了四种时钟脉冲:10ms(8011)、100ms(8012)、1s(8013、1min(8014),可利用计数器对这些时钟脉冲的计数达到延时的作用。
若将M8011的10ms脉冲送给计数器,则计数常数:
K=(3600×6)÷0.01=2160000
而一个计数器的K≤32767,故应将两个计数器进行组合,才能达到6小时的延时。
注意:每次C0计满后应及时复位,否则C1只能得到一个脉冲。
控制要求为当X0接通后,延时50000s,输出Y0接通;当X0断开后,输出Y0断开。
七、顺序延时接通程序
当X0接通后,输出端Y0、Y1、Y2按顺序每隔10s输出接通。
用三个定时器T0、T1、T2设置不同的定时时间,可实现按顺序先后接通,当X0断开后同时停止。

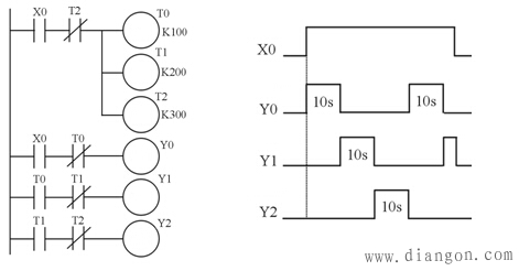
八、顺序循环接通程序
当X0接通后,Y0~Y2三个输出端按顺序各接通10s,如此循环直至X0断开后,三个输出全部断开。

九、脉冲发生电路
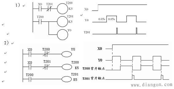
1、试设计频率为10Hz等脉冲发生器。等脉冲即占空比为1,即输入信号X0接通后,输出Y0产生0.05s接通、0.05s断开的方波,选择精度为0.01s的定时器。

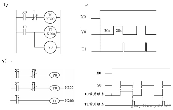
2、设计周期为50s的脉冲发生器,其中断开30s,接通20s。
占空比不为1的脉冲,接通和断开时间不相等,由于定时时间较长,可用0.1s的定时器,因此只要改变时间常数就可实现。

十、二分频程序
输入端X0输入一个频率为f的方波,要求输出端Y0输出一个频率为f/2的方波,即设计一个二分频程序。

由于PLC程序是按顺序执行的,所以当X0的上升沿到来时, M0接通一个扫描周期,此时M1线圈不会接通, Y0线圈接通并自锁,而当下一个扫描周期时,虽然Y0是接通的,但此时M0已经断开,所以M1也不会接通,直到下一个X0的上升沿到来时, M1才会接通,并把Y0断开,从而实现二分频。