PLC梯形图编程规则及注意事项
时间:2023-03-11来源:佚名
|
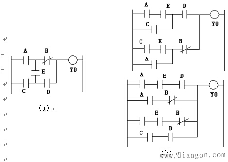
一、plc梯形图编程规则 1、按从左到右(串联)、自上而下(并联)的顺序编制。每个继电器线圈为一逻辑行,每个逻辑行起于左母线,经过触点、线圈,止于右母线。 注意:(a)左母线与线圈之间一定要有触点。 (b)线圈与右母线之间不能有任何触点。 (c)每个逻辑行最后都必须是继电器线圈。 下图画法均不正确:
|
|
一、plc梯形图编程规则 1、按从左到右(串联)、自上而下(并联)的顺序编制。每个继电器线圈为一逻辑行,每个逻辑行起于左母线,经过触点、线圈,止于右母线。 注意:(a)左母线与线圈之间一定要有触点。 (b)线圈与右母线之间不能有任何触点。 (c)每个逻辑行最后都必须是继电器线圈。 下图画法均不正确:
|








