程序的经验设计法是根据被控对象的要求,在典型单元程序的基础上,做一定的修改和完善。适用于简单梯形图程序的设计。 特点:程序的设计质量和耗费的时间与设计者的经验有很大关系,同时梯形图的可读性差。 一、运料小车控制系统的梯形图设计 要求:运料小车在SQ1处装料(20s),然后开始右行;到达SQ2后卸料(15s),然后开始左行;这样不停往复工作,直到按下停止按钮。
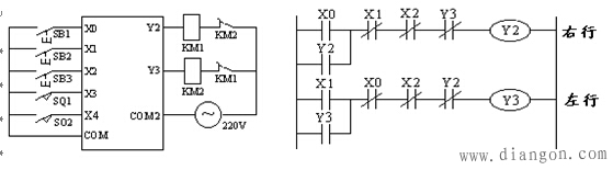
 1、分析控制要求,确定输入、输出设备,绘制I/O接线图: 1)要实现小车的左右往复运动,只要对小车的拖动电动机实现正反转控制即可。这里用两个接触器分别控制小车左行(KM2)右行(KM1)。 2)系统的起动(左SB2、右SB1)、停止(SB3)需要三个按钮,起点和终点处的两个行程开关是用来自动控制小车的往复运动的,也应作为输入设备。 即:SB1—小车右行起动按钮 SB2—小车左行起动按钮 SB3—小车停止按钮 SQ1—左终点行程开关 SQ2—右终点行程开关 2、典型单元梯形图程序的引入 小车的左右往复运动控制就是电动机的正反转控制(软件互锁、硬件互锁)。
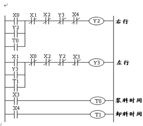
 3、修改、完善以满足控制要求: 1)小车在两处装料、卸料需要延时,应增加定时器。 2)延时结束,小车要能自动继续左行或右行,www.gdzrlj.com应在Y2和Y3线圈前加入定时器的延时触点。 3)小车到达SQ1或SQ2处要能自动停下,应在Y2和Y3线圈前加入相应行程开关的常闭触点。


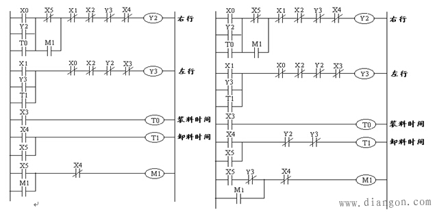
4)若小车停在SQ1或SQ2处,就算曾经按下停止按钮,小车仍然会自行起动。 解决方法:增加辅助继电器记忆起动信号。 二、两处卸料的小车控制系统的梯形图设计: 要求:运料小车第一次右行在SQ3处卸料;第二次右行在SQ2处卸料。
 1、分析控制要求,确定输入、输出设备,绘制I/O接线图:与上例比较可知,要实现两处卸料,增加了行程开关SQ3,故只要在上例I/0图的基础上将SQ3连接到plc的输入端X5。 2、修改、完善以满足控制要求: 1)要实现两处卸料,重要的是判断小车右行时在SQ3处是否需要停。可增加一个辅助继电器(M1)来记忆小车是否到过SQ3(M1 ),或SQ2(M1—)。 2)小车到达SQ2处,回头左行时会压下SQ3,使M1 ,导致小车第三次右行压下SQ3时不停。

3)小车左行或第二次右行经过SQ3时会使T1瞬间得电,非控制要求。 4)若小车停在SQ1或SQ2处,就算曾经按下停止按钮,小车仍然会自行起动。 解决方法:增加辅助继电器记忆起动信号

设计法的缺点:易漏掉某些环节,设计出的梯形图可读性差,只适用来设计一些简单的程序。 |