四位二进制数码寄存器
时间:2023-03-11来源:佚名
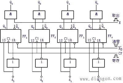
寄存器是用来暂时存放参与运算的数据和运算结果。一个触发器只能寄存一个二进制数,要存多位数时,就得用多个触发器。常用的有4位,8位,16位等寄存器。 寄存器常分为数码寄存器和移位寄存器两种,其区别在于有无移位的功能。 图1所示是由可控RS触发器(上升沿触发)组成的4位数码寄存器。 先复位(清零),使4个触发器 这种是并行输入|并行输出的寄存器。 |
寄存器是用来暂时存放参与运算的数据和运算结果。一个触发器只能寄存一个二进制数,要存多位数时,就得用多个触发器。常用的有4位,8位,16位等寄存器。 寄存器常分为数码寄存器和移位寄存器两种,其区别在于有无移位的功能。 图1所示是由可控RS触发器(上升沿触发)组成的4位数码寄存器。 先复位(清零),使4个触发器 这种是并行输入|并行输出的寄存器。 |









