D触发器逻辑图和逻辑符号
时间:2023-03-11来源:佚名
|
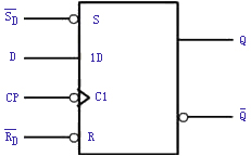
可以将JK触发器转换为D触发器,其逻辑图和逻辑符号如图1(a)和(b)所示。当D=1,即
由以上可知,某个时钟脉冲来到之后输出端Q的状态和该脉冲来到之前输入端D的状态一致,即
D触发器的逻辑状态表见表1。
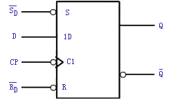
国内生产的D触发器主要是维持阻塞型(不在本书中讨论),如双上升沿D触发器74LS74、四上升沿D触发器74LS175等,它们在时钟脉冲的上升沿触发,逻辑符号如图2所示,在CP输入端不加小圆圈。
也可将D触发器转换为T触发器,如图3所示。它的逻辑功能是每来一个时钟脉冲,翻转一次,即 | ||||||||||||||||||||||||||||
,
时,在CP的下降沿触发器翻转为(或保持)1态;当
,即
,
时,在CP的下降沿触发器翻转为(或保持)0态。








,具有记数功能。






