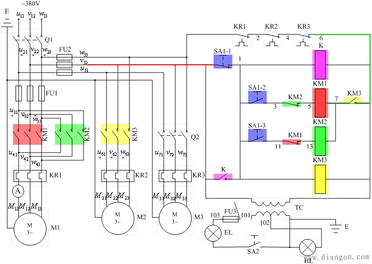
图1是C616的电气原理图,它属于小型车床,床身最大工件回转半径为160mm,工件最大长度500mm,其控制线路采用了一些简化的手段,如互锁环节直接使用了开关的机械构造保证。
 |
|
图1 CW6163B万能卧式车床的控制线路 |
K的触点(v52,1)(红色线)闭合将K自锁。
KM3动合触点(6、7)(绿色线)闭合,为主电动机起动做好准备。
接触器KM3动合触点(6,7)(绿色线)断开,KM1、KM2断电。 1、主电路 该机床有3台电动机:M1为主电动机、M2为润滑泵电动机、M3为冷却泵电动机。 三相交流电源通过组合开关Q1将电源引入,FU1、KR1分别为主电动机的短路保护和过载保护电器。KM1、KM2为主电动机M1的正转和反转控制接触器。 KM3为M2的起动接触器。组合开关Q2是M3的接通和断开开关。KR2、KR3为M2、M3的过载保护热继电器。 2、控制、照明和显示电路 该机床的核心操作杆是一根操作手柄,它通过机械结构控制开关SA1,开关SA1又分为一对动断触点SA1-1和两对动合触点SA1-2、SA1-3,它们可以控制主电动机的正转和反转。当操作手柄位于零位,即开关SA1在零位时,SA1-1触点保持默认位置即接通,而SA1-2、SA1-3断开,这时中间继电器K得电,K的触点(v52,1)闭合将K自锁。这时KM3得电,润滑泵电动机M2起动,KM3动合触点(6、7)闭合,为主电动机起动做好准备。 当操作手柄扳到向下位置时,SA1-2接通,SA1-1、SA1-3断开,正转接触器KM1得电,主电动机M1正转起动。当操作手柄扳到向上位置时,SA1-3接通,SA1-1、SA1-2断开,反转接触器KM2得电,主电动机M1反转起动。开关SA1的触点在机械上保证了两个接触器只能有一个得电。KM1和KM2的互锁环节也在电气上保证了同时只能有一个接触器得电,这样就可以避免两个接触器同时得电造成电源短路。当然,操作手柄的机械上的保护更有效,起主要作用。 当车床开动后,将操作手柄扳回零位,则KM1、KM2断电,M1自由停转,有经验的工人在停车时,会将手柄瞬时扳向相反转向的位置,M1反接制动,待主轴接近停止时,将手柄迅速扳回零位,可大大缩短停车时间。 中间继电器K可起零压保护作用,在电动机运行过程中(注意SA1-1已断开),当电源电压降低或消失时,中间继电器K释放,K的动合触点断开,接触器KM3动合触点(6,7)断开,KM1、KM2断电。电网恢复后,由于此时SA1-1还断开,所以此时KM3还是不会得电吸合,必须有工人手动复位。即使断电期间工人将SA1-1手动置于零位(即将操作手柄扳回零位),由于此时KM1、KM2均已断电,所以电压恢复后,也不会造成电动机自动起动,这样就起到了零压保护的作用。 与这种小型机床不同的是,很多其它机床工作时的起动和停止都不采用开关操作,而是用按钮控制。通过按钮的自动复位和继电器的自锁作用来实现零压保护。 |