正弦稳态交流电路相量的研究
时间:2023-03-11来源:佚名
|
1、在单相正弦交流电路中,用交流电流表测得各支路的电流值,用交流电压表测得回路各元件两端的电压值,
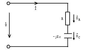
2. 图1所示的RC串联电路,在正弦稳态信号
3. 日光灯线路如图3所示,图中A是日光灯管,L是镇流器, S是启辉器,C是补偿电容器,用以改善电路的功率因数(
|
|
1、在单相正弦交流电路中,用交流电流表测得各支路的电流值,用交流电压表测得回路各元件两端的电压值,
2. 图1所示的RC串联电路,在正弦稳态信号
3. 日光灯线路如图3所示,图中A是日光灯管,L是镇流器, S是启辉器,C是补偿电容器,用以改善电路的功率因数(
|







