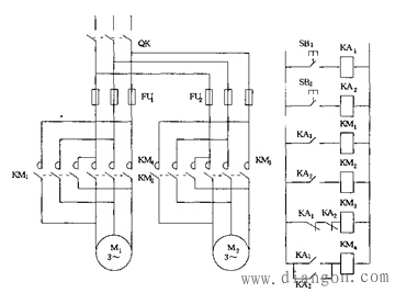
1、设计主电路 横梁升降:横梁升降电动机Ml —— 正反转(KMl、KM2) 夹紧放松电动机M2 —— 正反转(KM3、KM4) 2、设计基本控制电路 横梁移动为点动控制,通过两个中间继电器KA1和KA2实现。
 3、选择控制参量,确定控制方案 横梁放松:行程开关SQ1 横梁夹紧:电流继电器KI 横梁夹紧可以用时间、行程和反映夹紧力的电流作为变化参量采用行程参量,当夹紧机构磨损后,测量就不精确,如用时间参量,更不易调整准确,所以选用电流参量进行控制为好,其动作电流整定在额定电流的两倍左右。 当横粱移动停止,如上升停止,点动按钮SB1松开(行程开关SQ1压合)KM3得电,夹紧电机立即自动起动。当夹紧力电流达到KI的整定值时, KM3失电,自动停止夹紧电动机的工作。

4.设计联锁保护环节 KAl、KA2常闭触点实现横梁移动电机和夹紧电机正反向工作的联锁保护。 5、横梁上下的限位保护 行程开关SQ2和SQ3分别实现向上或向下限位保护。 SQ1除了反映放松信号外,还起到了横梁移动和横梁夹紧间的联锁控制。 6、线路的完善和校核 |