全压起动:将额定电压直接加到电动机的定子绕组上,使电动机起动旋转。(p≤10kw) 降压起动:起动时减少加在定子绕组上的电压,以限制起动电流;在起动完成后再将定子电压恢复至额定值。 一、开关控制电路 由开关控制电机直接起/停,要求电机容量较小,且无法实现自动控制或失压、欠压保护。
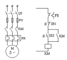
 二、接触器控制电路 刀开关 — 电源引入 接触器 — 控制电机起/停 SB1 — 停止按钮 SB2 — 起动按钮
 1、线路工作情况 合上电源开关QS引入三相电源: 按起动按钮SB2 → KM线圈 → KM主触闭合 → 电动机接通电源起动运转。 → KM的常开辅助触点闭合(自锁) 自锁(自保持):依靠接触器自身辅助触点而使其线圈保持通电 电动机停车: 按停止按钮SBl → KM线圈﹣→ KM主触断开 → 电动机接停止运转。 → KM的常开辅助触点复位(解除自锁) 三、线路的保护环节 1.过载保护:FR 原因:电机电流超过额定值 一段时间后,绕组发热,会使绝缘材料变脆,电机寿命降低,甚至损坏。 措施:串接在主电路中的热继电器的热元件在电动机过载时,受热弯曲,端部产生的位移使常闭触点断开,切断电动机的控制电路。 注意:热继电器动作后不能自动复位,等双金属片冷却后,才能复位。 2.短路保护:FU 原因:热元件存在热惯性,电路发生短路时无法瞬时动作。 措施:熔体在短路电流作用下迅速熔断。 注意:为了扩大保护范围,熔断器一般直接装在刀开关下边(尽量靠近电源)。 3.失压、欠压保护:自锁触点(接触器) 1)欠压保护 原因:当电源电压下降时,电机绕组电流上升。 措施:当电源电压下降到85%UN以下,接触器的F吸〈F反,衔铁释放,触点断开,电机停止。 2)失压保护 原因:开关控制电路,若停电后再恢复供电,电机将会自行起动。 措施:停电时,接触器触点断开,电机停止。恢复供电后,若起动按钮不被按下,则接触器线圈不会得电,触点不会闭合,电机无法自行起动。 欠压和失(零)压保护的优点: 1、防止电动机低压运行。 2、避免多台电动机同时起动造成的电网电压波动。 3、防止在电源恢复时,电动机突然起动运行而造成设备和人身事故。 电器控制中:按钮 → 发布命令信号 接触器 → 实现对控制对象的控制 继电器 → 根据控制过程中各个量的变化发出相应的控制信号。
|