电动机正反转自动循环控制线路图解
时间:2023-03-11来源:佚名
|
机构运动示意图如下。
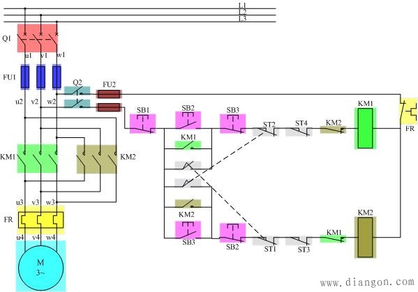
控制线路图如下:
按下正向起动按钮SB2,接触器KM1得电动作并自锁,电动机正转使工作台前进。当运动到ST2限定的位置时,KM1的动断触点复位闭合,关闭对KM2线圈的互锁。ST2的动合触点使KM2得电自锁,且KM2的动断触点断开将KM1线圈所在支路断开(互锁)。这样电动机开始反转使工作台后退。当工作台后退到ST1限定的极限位置时,挡块碰撞ST1的触头,KM2断电,KM1又得电动作,电动机又转为正转,如此往复。 |








