常用TTL集成门电路芯片
时间:2023-03-11来源:佚名
|
(1)集成与非门电路芯片
(2)集成或非门电路芯片 常用的TTL或非门集成电路芯片有2输入4或非门7402等。图2给出了7402的引脚分配图。
图2 或非门7402的引脚分配图 (3)集成非门电路芯片 常用的TTL非门集成电路芯片有六反相器7404等。图3所示为7404的引脚分配图。
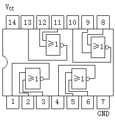
图3 非门7404的引脚分配图 (4)集成与或非门电路芯片 常用的TTL与或非门集成电路芯片有7451等。7451是一个双2×2与或非门芯片,其引脚排列图如图4所示。
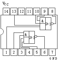
图4 与或非门7451的引脚排列图 (5)集成异或门电路芯片 常用的TTL异或门集成电路芯片有四异或门7486等。7486的引脚排列图如图5所示。
图5 异或门7486的引脚排列图 (6)集成与门、或门电路芯片 常用的TTL与门集成电路芯片有2输入四与门7408、3输入三与门7411等。7411的引脚排列图如图6(a)所示。常用的TTL或门集成电路芯片有2输入四或门7432等。7432的引脚排列图如图6(b)所示。
图6 与门7411和或门7432的引脚排列图 |














