机床电气控制线路设计步骤图解

时间:2023-03-11来源:佚名

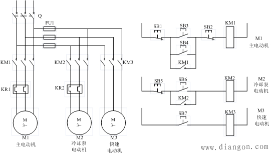
1、主电路设计

根据电气传动的要求,由接触器KM1、KM2、KM3分别控制电动机M1、M2、M3的起动停止,由于三台电动机功率都不是很大,为了简化控制线路,我们对三台电动机均采用直接启动方式。如图1所示。

电动机采用直接起动的一般界限,即“起动方式的选取不仅要考虑电动机的容量(一般5kW以下的电动机用直接起动,10kW以上的电动机用降压起动),还要考虑电网的容量。不经常起动的电动机可直接起动的容量为变压器容量的30%;经常起动的电动机可直接起动的容量为变压器容量的20%。”尽管本案例主电动机功率略大于10kW,但超过不多,且其它两台电动机功率较小,为了简化控制线路,减少故障源和故障概率,可以采用直接启动方式。

机床的三相电源由开关Q引入。主电动机M1的过载保护由两相热继电器KR1实现,它的短路保护可由机床所在电网系统中的前一级配电箱中的熔断器充任。冷却泵电动机M2的过载保护由热继电器KR2实现。快速移动电动机M3由于是短时间工作,不设置过载保护。电动机M2、M3共同设置短路保护的熔断器FU1。

机床电气控制线路设计步骤图解

    相关阅读

    电动葫芦的电气控制线路,一起来学习

    电动葫芦是用来提升或下降重物, 并能在水平方向移动的起重运输机械。 它具有起质量轻、 结构简单、 操作方便等优点。 一般电动葫芦只有一个恒定的运行速度, 广泛应用于工矿企...
    2023-07-05
    电动葫芦的电气控制线路,一起来学习

    习惯了10kV配电网,20kV配电网了解一下?

    目前, 我国传统配电网一般采用 10kV 电压等级作为中压供电等级,随着经济的不断发展, 电网负荷密度逐步增大, 其供电距离、电压质量和线路损耗等已经难以适应负荷发展的需要...
    2024-08-19
    习惯了10kV配电网,20kV配电网了解一下?

    作为一名老电工,我不建议年轻人从事电工工作​

    在工厂的角落里,常常能看到一位忙碌的身影,他就是有着多年经验的老电工李师傅。岁月在他的脸上刻下了痕迹,但他的眼神中依然闪烁着对这份职业的热爱与执着。然而,当谈到年轻人轻...
    2024-08-31
    作为一名老电工,我不建议年轻人从事电工工作​

    电工必知的继电器基础知识

    今天小编就给大家介绍一下继电器的知识,以及一些常用的继电器。继电器是一种电控制器件,是当输入量的变化达到规定要求时,在电气输出电路中使被控量发生预定的阶跃变化的一...
    2023-06-27
    电工必知的继电器基础知识

    MLCC如何增强DC和AC供电轨的功率处理能力

    从物联网(IoT)的数据服务器到电动汽车(EV),电源系统设计人员一直面临着如何实现更高功率密度和转换效率的共同压力。尽管人们通常将更多的关注放在半导体开关器件上来实现这些改...
    2023-08-09
    MLCC如何增强DC和AC供电轨的功率处理能力

    热销商品

    加厚abs安全帽电工建筑工地程施工领导监理透气防砸头盔可印字V型

    这款加厚ABS安全帽专为电工、建筑工地施工人员、领导及监理设计,采用高强度ABS工程塑料,抗冲击、防砸性能优异,有效保障头部安全。帽体加厚设计,增强耐用性与防护等级...
    5.8

    欧普led筒灯3w孔灯超薄桶灯吊顶天花灯过道嵌入式洞灯客厅5w

    欧普LED筒灯是一款高品质嵌入式照明产品,适用于客厅、过道、吊顶等多种场景。采用优质LED光源,提供3W和5W两种功率选择,光线柔和均匀,显色指数高,有效还原真实色彩。超...
    7.45

    水口钳高硬度模型剪钳电子钳工业级口水剪斜嘴钳偏口斜口专用钳子

    水口钳高硬度模型剪钳是一款工业级精密工具,专为电子、模型制作及精细作业设计。采用优质高碳钢材质,经热处理工艺打造,具备卓越的硬度和耐磨性,可轻松剪切金属引脚、...
    4.8

    170电子剪钳II 如意斜口钳 工业斜嘴钳水口钳 模型剪塑胶钳尖嘴钳

    170电子剪钳II如意斜口钳是一款专业级精密工具,集工业斜嘴钳、水口钳、模型剪、塑胶钳与尖嘴钳功能于一体,适用于电子维修、模型制作、手工艺及精密作业。其采用优...
    4.5

    安全帽国标工地加厚施工领导透气安全头盔建筑工程监理免费印字

    本款安全帽严格遵循国家GB 2811-2019标准,专为建筑工程、工地施工及监理人员设计。采用高强度ABS工程塑料,加厚壳体有效抗冲击,保障头部安全。帽体轻盈透气,内置可调...
    10

    本站所有图片和文章来自互联网,如有异议请与本站联系。
    投搞、举报邮箱:175583978#qq.com
    Copyright @ 2020-现在 All Rights Reserved.