两台笼型电动机M1、M2顺序起停的控制线路设计
时间:2023-03-11来源:佚名
|
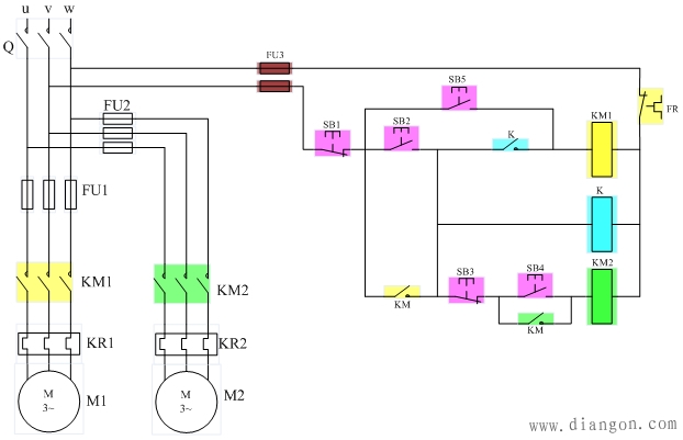
(1)M1、M2能顺序起动,并能同时停止转动。 (2)M1起动后M2起动,M1可点动,M2可单独停止转动。 首先分析主电路,根据要求,有两台电动机可正转,每个电动机使用一个接触器控制,虽然题目没有明确要求,但基本的电路保护措施必须要有,主电路如图。
接着分析控制电路: ①两台电动机正转连续运行
注意,此处没有互锁环节,因为两台电动机要求可同时运行,也没有短路问题。 ②顺序起动(联锁环节) 注意,题目要求的顺序起动,理解为M1起动后,M2才能起动,因此需要设置联锁环节。在上面的控制线路中加入联锁环节。
在上图中,已经满足了M1、M2可同时停止,且M2可单独停止的要求。 ③M1点动 本例可以用上一题的方法实现点动控制,但此处我们利用中间继电器来实现这一功能。
图中,增加了一个中间继电器K,正常起动连续运行M1时,按下SB2,K先得电并使其常开辅助触点闭合,KM1得电自锁;当需要点动时,直接按SB5,K不得电KM1无法自锁,因而松开SB5后KM1失电。 点动环节控制线路简单,但因为在实际机床中,点动往往处于附加功能的地位,因此必须首先满足连续运行的要求,这样就必须使点动环节避开自锁环节,可以看出该环节变得更加复杂,这也说明有些典型控制线路的合并并不是线性的简单叠加,而是需要变形的。 最后,加上控制电路的热继电器触点、熔断器等,从而将主电路和控制电路补充完整,画在一个完整的电气原理图中。 答案:
|












