单脉冲PLC梯形图程序
时间:2023-03-11来源:佚名
|
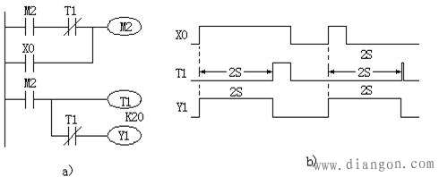
单脉冲程序如图所示,从给定信号(X0)的上升沿开始产生一个脉宽一定的脉冲信号(Y1)。当X0接通时,M2线圈得电并自锁,M2常开触点闭合,使T1开始定时、Y1线圈得电。定时时间2s到,T1常闭触点断开,使Y1线圈断电。无论输入X0接通的时间长短怎样,输出Y1的脉宽都等于T1的定时时间2s。
图 单脉冲程序 a)梯形图 b)时序图 |
|
单脉冲程序如图所示,从给定信号(X0)的上升沿开始产生一个脉宽一定的脉冲信号(Y1)。当X0接通时,M2线圈得电并自锁,M2常开触点闭合,使T1开始定时、Y1线圈得电。定时时间2s到,T1常闭触点断开,使Y1线圈断电。无论输入X0接通的时间长短怎样,输出Y1的脉宽都等于T1的定时时间2s。
图 单脉冲程序 a)梯形图 b)时序图 |








