什么是三电平变频方式?
时间:2023-03-11来源:佚名
|
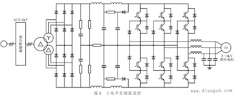
三电平变频器原理如图所示。在PWM电压源型变频器中,当输出电压较高时,为了避免器件串联引起的静态和动态均压问题,同时降低输出谐波及dv/dt的影响,逆变器部分可以采用中性点箝位的三电平方式(Neutral Point Clamped,NPC)。逆变器的功率器件可采用高压绝缘栅双极型晶体管IGBT或集成门极换流晶闸管IGCT。三电平变频器采用的箝位电路,解决了两只功率器件串联的问题,并使相电压输出具有三个电平。三电平逆变器的主回路结构环节少,虽然为电压源型结构,但易于实现能量回馈。三电平变频器在国内市场遇到的最大难题是输出电压问题,其最大输出电压达不到6 kV,所以往往需要采用变通的方法,要么改变电动机的电压(或进行星/三角改接),要么在输出侧加升压变压器。这一弱点限制了它的广泛应用。目前也有器件串联三电平变频器,或裂相三电平(每相用一个单相三电平变频器)变频器,如ABB公司的ACS5000系列。 ![]() |










