CMOS集成门电路
|
以MOS管作为开关元件的门电路称为MOS门电路。由于MOS集成门电路具有制造工艺简单、集成度高、功耗小、抗干扰能力强等优点,因此,在数字集成电路产品中占据着相当大的比例。下面以CMOS反相器和与非门为例对其结构和原理作简单介绍。 (1)CMOS反相器 ①电路结构 CMOS反相器由一个P沟道增强型MOS管和一个N沟道增强型MOS管串联组成,通常用P沟道增强型MOS管作为负载管,N沟道增强型MOS管作为工作管。如图1所示,PMOS管TP为负载管(开启电压用VTP<0), NMOS管TN为工作管(开启电压用VTN> 0),两管的栅极相连作为输入端,两管的漏极相连作为输出端。TN的源极接地,TP的源极接电源。为了保证电路正常工作,电源电压VDD需大于TN管开启电压VTN和TP管开启电压VTP绝对值的和,即VDD>VTN |VTP|,一般VDD=5V。
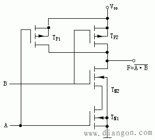
图1CMOS反相器电路图 ②工作原理 电路中,当vi=0V时,TN截止,TP导通,电路工作在截止状态,输出电压vo≈VDD为高电平;当vi=VDD时,TN导通,TP截止,电路工作在导通状态,输出电压vo≈0V。即“若输入为低,则输出为高;若输入为高,则输出为低”。因此,该电路实现了反相器功能,即“非”的逻辑功能,电路输出与输入的关系为 (2)CMOS与非门 ①电路结构 图2所示是一个两输入端的CMOS与非门电路,它由两个串联的NMOS管TN1、TN2和两个并联的PMOS管TP1、TP2构成。每个输入端连到一个PMOS管和一个NMOS管的栅极。
图2 CMOS与非门电路 ②工作原理 当输入A、B均为高电平时,TN1和TN2导通,TP1和TP2截止,输出端F为低电平;当输入A、B中至少有一个为低电平时,对应的TN1和TN2中至少有一个截止,TP1和TP2中至少有一个导通,输出F为高电平。因此,该电路实现了“与非”逻辑功能,电路输出与输入的关系为 |
。 
。








