纵向、向机动进给及快速移动的操纵机构
时间:2023-03-11来源:佚名
|
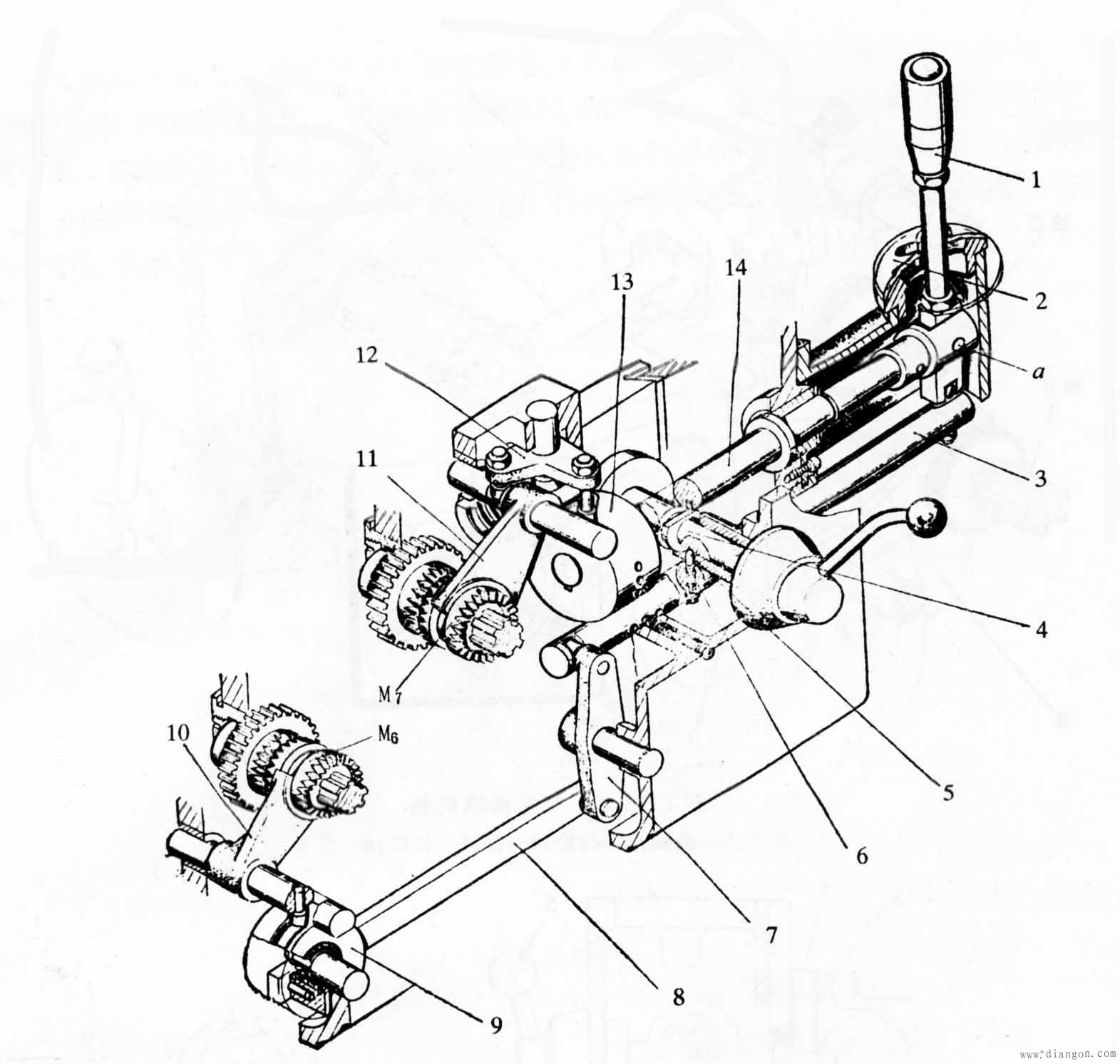
图L2 溜板箱操纵机构立体图 纵向、横向机动进给及快速移动是由手柄集中操纵的(图L2)。当需要纵向移动刀架时,想相应方向 (向左或向右)板动操纵手柄。由于轴14用台阶及卡环轴向固定在箱体上,操纵手柄1便绕销a摆动,于是手 柄1下部的开口槽就拨动轴3轴向移动。轴3通过杠杆7及推杠8使凸轮9转动,凸轮9的曲线槽使拨叉10移动,于 是便操纵轴XXIV上的牙嵌式离合器M6向向相应的方向啮合,这时如光杠转动,就可使刀架做纵向机动进 给,如按下手柄1上端的快速移动按钮时为止。如向前或向后板动手柄1,手柄1通过轴14使凸轮13转动,凸轮 13上的曲线槽便使杠杆12摆动,杠杆12又使拨叉11移动,于是拨叉11式离合器M7向响应方向啮合。这时如接 通光杠或快速电动机,就可使横刀架实现向前或向后的横向机动进给或快速移动。手柄1处于中间位置时,离 合器M6及M7脱开,这时断开机动进给及快速移动。 盖2上开有十字形槽,使操纵手柄不能同时接合纵向和横向运动。 |









