集成定时器555
时间:2023-03-11来源:佚名
|
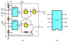
1.定时器555的功能 集成定时器555是将模拟电路功能与逻辑电路功能巧妙地结合在一起的中规模集成电路。该电路功能灵活,能实现脉冲信号的产生、定时和整形等基本功能。 2.典型芯片 常用的集成定时器555有5G555(TTL电路)和CC7555(CMOS电路)等。5G555的电路结构和管脚排列图如图1(a)、(b)所示。
图1 该电路由电阻分压器、电压比较器、基本R-S触发器、放电三极管和输出缓冲器5部分组成。芯片共有8条引线,其中输入线4条,输出线2条,电源线和地线各1条。输入包括电压控制端CO、复位端 3.应用 集成定时器555功能灵活、适用范围广,只要在外部配上适当的阻容元件,就可以很方便地构成多谐振荡器、施密特触发器和单稳态触发器等电路,完成脉冲信号的产生、定时和整形等功能。因而在控制、定时、检测、仿声、报警等方面有着广泛应用。 |

、阈值输入端TH和触发输入端
;输出包括电路输出端OUT和放电三极管T的集电极D端。








