从电气原理图到实际电气控制线路
时间:2023-03-11来源:佚名
|
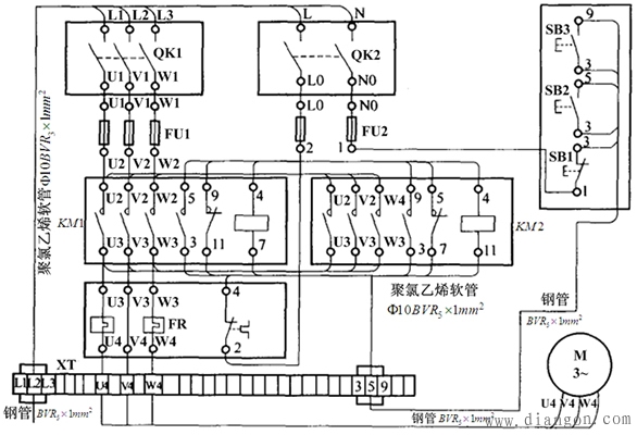
电气原理图明确了机床的电器控制线路的工作原理,根据电气原理图可以梳理出该控制线路中所要用到的各种主要电器产品,安排出实际中各种电器的布置和导线走线区域,形成电器布置图。 根据电器布置图可以画出控制线路的安装接线图,此图帮助安装工人在实物上接线,根据接线图,购置各种电器产品,制作安装箱体和支架,可以最终完成机床的电气控制线路的接线。下面以电动机正反转控制线路为例说明从电气原理图到实际电器控制线路的一系列转变。 在原理图中,出现了几个按钮和触点之间用虚线相连接的情况,这代表这几个电器元件联动,如SB2、KM1的动合触点、SB2-1,其中SB2与SB2-1是复合按钮,三个元件联动表示当按下SB2时,SB2闭合的同时,复合按钮SB2-1断开;继而交流接触器1的动合触点闭合。 电器布置图 安装接线图 实际接线 |











