三菱PLC定时器应用程序编程实例

时间:2023-03-11来源:佚名

三菱plc定时器应用程序编程实例(三菱plc编程实例)
1.产生脉冲的程序
(1)周期可调的脉冲信号发生器
如图1所示采用定时器T0产生一个周期可调节的连续脉冲。当X0常开触点闭合后,第一次扫描到T0常闭触点时,它是闭合的,于是T0线圈得电,经过1s的延时,T0常闭触点断开。T0常闭触点断开后的下一个扫描周期中,当扫描到T0常闭触点时,因它已断开,使T0线圈失电,T0常闭触点又随之恢复闭合。这样,在下一个扫描周期扫描到T0常闭触点时,又使T0线圈得电,重复以上动作,T0的常开触点连续闭合、断开,就产生了脉宽为一个扫描周期、脉冲周期为1s的连续脉冲。改变T0的设定值,就可改变脉冲周期。
三菱PLC定时器应用程序编程实例
图1 周期可调的脉冲信号发生器
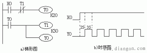
(2)占空比可调的脉冲信号发生器
如图2所示为采用两个定时器产生连续脉冲信号,脉冲周期为5秒,占空比为3:2(接通时间:断开时间)。接通时间3s,由定时器T1设定,断开时间为2s,由定时器T0设定,用Y0作为连续脉冲输出端。
三菱PLC定时器应用程序编程实例
图2 占空比可调的脉冲信号发生器
(3)顺序脉冲发生器
如图3a所示为用三个定时器产生一组顺序脉冲的梯形图程序,顺序脉冲波形如图3b所示。当X4接通,T40开始延时,同时Y31通电,定时l0s时间到,T40常闭触点断开,Y31断电。T40常开触点闭合,T41开始延时,同时Y32通电,当T41定时15s时间到,Y32断电。T41常开触点闭合,T42开始延时,同时Y33通电,T42定时20s时间到,Y33断电。如果X4仍接通,重新开始产生顺序脉冲,直至X4断开。当X4断开时,所有的定时器全部断电,定时器触点复位,输出Y31、Y32及Y33全部断电。
三菱PLC定时器应用程序编程实例
图3 顺序脉冲发生器
2.断电延时动作的程序
大多数PLC的定时器均为接通延时定时器,即定时器线圈通电后开始延时,待定时时间到,定时器的常开触点闭合、常闭触点断开。在定时器线圈断电时,定时器的触点立刻复位。
如图4所示为断开延时程序的梯形图和动作时序图。当X13接通时,M0线圈接通并自锁,Y3线圈通电,这时T13由于X13常闭触点断开而没有接通定时;当X13断开时,X13的常闭触点恢复闭合,T13线圈得电,开始定时。经过10s延时后,T13常闭触点断开,使M0复位,Y3线圈断电,从而实现从输入信号X13断开,经10s延时后,输出信号Y3才断开的延时功能。
三菱PLC定时器应用程序编程实例
图4 断电延时动作的程序
3.多个定时器组合的延时程序
三菱plc的一个定时器的延时时间都较短,如FX系列PLC中一个0.1s定时器的定时范围为0.1~3276.7s,如果需要延时时间更长的定时器,可采用多个定时器串级使用来实现长时间延时。定时器串级使用时,其总的定时时间为各定时器定时时间之和。
如图5所示为定时时间为1h的梯形图及时序图,辅助继电器M1用于定时启停控制,采用两个0.1s定时器T14和T15串级使用。当T14开始定时后,经1800s延时,T14的常开触点闭合,使T15再开始定时,又经1800s的延时,T15的常开触点闭合,Y4线圈接通。从X14接通,到Y4输出,其延时时间为1800s 1800s=3600s=1h。
三菱PLC定时器应用程序编程实例
图5 用定时器串级的长延时程序

    相关阅读

    常见电源基础电路、读图要点和举例

    一张电路图通常有几十乃至几百个电子元器件,它们的连线纵横交叉,而且形式变化多端,初学者往往不知道该从什么地方开始学习,怎样才能读懂它。 其实电子电路本身有很强的规律...
    2023-05-22
    常见电源基础电路、读图要点和举例

    变频器的外围设备及选择

    一、主要电器须选好 /如图所示 Q──断路器 ; KM──接触器 ; FU──快速熔断器; UF──变频器 ; M──电动机 1、断路器 主要作用如下图所示: 用于电源 电路的开闭,且在出现过...
    2023-03-21
    变频器的外围设备及选择

    母线倒闸操作的危险点及其防范

    母线的操作是指母线的送电、停电,以及母线上的设备在两条母线间的倒换等。母线是设备的汇合场所,连接元件多,操作工作量大,操作前必须做好充分的准备,操作时严格按序进行...
    2023-03-21

    64条电工作业基本规范,你能做到几条?

    1、未经安全培训和安全考试不合格严禁上岗。 2、电工人员必须持特种作业操作证上岗。 3、不准酒后上班,更不可班中饮酒。 4、上岗前必须穿戴好劳动保护用品,否则不准许上岗。...
    2023-06-11
    64条电工作业基本规范,你能做到几条?

    晶体管开关电路计算实例(二)

    晶体管开关电路计算实例 引言:开路集电极开关和开路发射极开关也叫负载串联型开关,前者是负载串联在集电极,后者是负载串联在发射极。 负载串联型开关使用更加广泛,可以用...
    2023-06-01
    晶体管开关电路计算实例(二)

    热销商品

    加厚abs安全帽电工建筑工地程施工领导监理透气防砸头盔可印字V型

    这款加厚ABS安全帽专为电工、建筑工地施工人员、领导及监理设计,采用高强度ABS工程塑料,抗冲击、防砸性能优异,有效保障头部安全。帽体加厚设计,增强耐用性与防护等级...
    5.8

    水口钳高硬度模型剪钳电子钳工业级口水剪斜嘴钳偏口斜口专用钳子

    水口钳高硬度模型剪钳是一款工业级精密工具,专为电子、模型制作及精细作业设计。采用优质高碳钢材质,经热处理工艺打造,具备卓越的硬度和耐磨性,可轻松剪切金属引脚、...
    4.8

    170电子剪钳II 如意斜口钳 工业斜嘴钳水口钳 模型剪塑胶钳尖嘴钳

    170电子剪钳II如意斜口钳是一款专业级精密工具,集工业斜嘴钳、水口钳、模型剪、塑胶钳与尖嘴钳功能于一体,适用于电子维修、模型制作、手工艺及精密作业。其采用优...
    4.5

    安全帽国标工地加厚施工领导透气安全头盔建筑工程监理免费印字

    本款安全帽严格遵循国家GB 2811-2019标准,专为建筑工程、工地施工及监理人员设计。采用高强度ABS工程塑料,加厚壳体有效抗冲击,保障头部安全。帽体轻盈透气,内置可调...
    10

    包邮三角型简易螺丝刀三角十字螺丝刀螺丝批改锥起子五金工具5mm

    这款5mm三角型简易螺丝刀,专为拧紧或拆卸三角形螺丝设计,适用于电子维修、家电维护及精密仪器装配等场景。采用优质合金钢材质,刀头硬度高、耐磨损,确保长久使用不变...
    3.64

    网站栏目