D/A转换器的基本知识
时间:2023-03-11来源:佚名
|
1、D/A 转换器的性能指标 (1) 分辨率。分辨率是 D/A 转换器对输入量变化敏感程度的描述 , 与输入数字量的位数有关。如果数字量的位数为 n, 则 D/A 转换器的分辨率为 2-n 。 (2) 建立时间。 (3) 接口形式。
DAC0832 外部引脚分布图 单极性输出电压电路
双极性输出电压电路
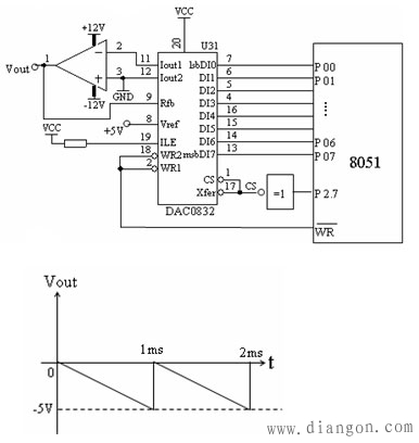
2.DAC0832 与 MCS - 51 的接口及应用
执行下面的几条指令就能完成一次 D/A 转换 :
START: MOV A,#00H |












