刀开关型号和符号图解
时间:2023-03-11来源:佚名
|
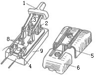
普通刀开关是一种结构简单且应用最广泛的低压电器。刀开关的典型结构由操作手柄、动触刀、静夹座、进线座、出线座和绝缘底板组成,推动手柄使动触刀插入静夹座中,电路就会被接通。 1、瓷底胶盖闸刀开关 瓷底胶盖闸刀开关由刀开关和熔断器组合而成,它们均装在瓷底板上,如图1。
刀开关装在上部,由进线座和静夹座组成,熔断器装在下部,由出线座、熔丝和动触刀组成,如图2。
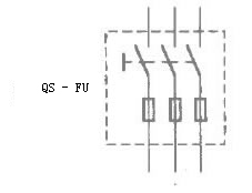
电气原理图中的刀开关可用图3的符号表示。
这种开关易发生接触不良等故障,因此不宜分断有负载的电路,适于有电压而无负载电流的电路。其结构简单、操作方便、价格便宜,在一般的照明电路和功率小于5.5kW的电动机的控制电路中可直接使用。用于照明电路时可选用额定电流等于或大于电路最大工作电流的两极开关;用于电动机的直接启动时,可选用额定电流等于或大于电动机额定电流3倍的三极开关。 2、铁壳开关 铁壳开关又称封闭式负荷开关。它是在闸刀开关基础上改进设计的一种开关,灭弧等性能优于闸刀开关。铁盒开关常配有熔断器。符号与刀开关一致,如图4。
| |||||||||||||||||||||||
















