高压变频器的信号传递技术
|
据电磁性的基本原理,形成电磁干扰(EMI)须具备三要素:电磁干扰源、电磁干扰途径、对电磁干扰敏感的系统。电磁干扰源不在本文的讨论范围之内,本文主要从切断电磁干扰途径和降低系统对电磁干扰的敏感性两个方面讨论高压变频器的信号传递技术。高压变频器主要从以下几个方面来保障信号传递技术的。 (1)在设计系统时选择抗干扰性强的信号传递技术,如优先考虑数字型与电流型信号。数字信号的抗干扰能力远远强于模拟信号。除测量用模拟信号外,在数字信号满足信号传输速度的前提下应优先考虑采用数字信号。恶劣的电磁环境对信号电缆的影响主要是产生共模电压干扰,电流型信号在传输通路中不会出现在同一回路中各点电流大小不一致的问题,有很强的抗感应式干扰的能力,推荐采用工业上常用的4-20mA信号。 (2)当传递数字信号或电平信号时,采用光纤作为传输介质传递信号。以光波的形式传递信号,可以从根本上杜绝信号在传输过程中所受干扰;信号在光纤中以光速传输,光纤传输信号速度快;采用光纤可以节省有色金属-铜,比电缆传输信号经济。 (3)隔离,隔离是切除电磁辐射和传导干扰的有效方法,可以避免干扰信号传入下一级信号处理电路。隔离是指切断信号的电气传播途径,在信号传输的过程中利用光或磁来耦合输入信号。隔离可分为对模拟信号的隔离和对数字信号的隔离两种信号隔离方法。常用的模拟信号的隔离措施为隔离放大器和隔离变压器。常用的数字信号隔离方法为采用光电耦合器,光电耦合器分普通型和高速型两种。图1(a)为模型信号隔离放大器ISO124原理图, (b)为双通道高速数字信号光电耦合器原理图。
(4)屏蔽是限制内部的电磁能量越出某一区域和防止外来的能量进入某一区域。一般常用于隔离和衰减辐射干扰,屏蔽的实质是由具有良好导电性能的金属材料制成的一个全封闭的壳体。在高压变频器中传输电信号时均需采用屏蔽电缆,在使用中需要注意以下几点:①屏蔽体单端接地,有时也称为静电屏蔽。屏蔽层靠近变频器的一端,应接控制电路的公共端(COM),但不要接到变频器的接地端(E)或大地,如图2所示[3]。②当干扰电场很强而电路灵敏度又高时,可采用双层屏蔽。注意:内外屏蔽层之间只能一点连接,且要加滤波电路,两层之间距离应尽可能大。③为防止空间电磁波对高灵敏度接收调和的干扰,可采用金属网屏蔽室[4]
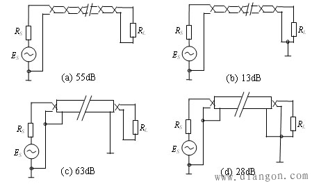
信号回路接地,如各变频器的负端接地,开关信号的负端接地等。信号地的处理原则上不允许各变送器和其他的传感器在现场接地,而应都将其负端在变频器端子处一点接地。但在有些场合,现场必须接地,这时必须注意原信号的输入端子(上双端)绝对不允许和变频控制系统的接地线有任何电气连线,而变频控制系统在处理这类信号时,必须在前端采用有效的隔离措施。 屏蔽接地(模拟信号的屏蔽接地),模拟地是所有的接地中要求最高的一种,高压变频器要求接地电阻小于0.1Ω,需在变频器机柜内部安装模拟地汇流排或其他设施。用户在接线时将屏蔽线分别接到模拟地汇流排上,在机柜底部,用绝缘多股铜线连接到一点,然后将各机柜的汇流排用绝缘多股铜导线或铜条以辐射状连接到接地点。注意各机柜之间的连接电阻需小于1Ω。 本安接地,是本安仪表或安全栅的接地。这种接地除了可抑制干扰外,还是使仪表和系统具有本质安全性质的措施之一。本安接地会因采用的设备不同而不同,安全栅的作用是使危险现场端永远处于安全电源和安全电压范围之内。如果现场端短路,由于负载电阻和安全栅电阻R的限流作用,会将导线上的电流限制在安全范围之内,使现场端不至于产生很高的温度,引起燃烧。如果变频器一端产生故障,则高压信号加入信号回路,则由于齐纳二极管的作用,也使电压处于安全范围。 (6)使用双绞线。双绞线的绞扭节距把式(1)中的A回路分隔成许多小回路,如果双绞线的绞扭一致,那么这些小回路的面积相等而方向相反,因此其磁场干扰可以相互抵消。但需要说明的是双绞线的结构对电场耦合干扰没有抑制能力。当给双绞线加上屏蔽层后,其抑制干扰能力更强。图3 示出了几种双绞线的使用方法,读者可作比较。如果每2.54cm扭6个均匀绞扭,对磁场干扰得抑制dB数入图所示。其中图3(a)采用单端接地的方式,对磁场干扰具有高达55dB的衰减能力。而图3(b)由于双端接地,地线阻抗与信号线阻抗不对称,地环流造成了双绞线电流不平衡,因此降低了双绞线抗磁场干扰能力,只有13dB的磁场干扰能力。图3(c)的屏蔽层双端接地,具有一定的抑制磁场耦合干扰能力,加上双绞线本身的作用,具有63dB的衰减。图3(d)的屏蔽层和双绞线都两端接地,其效果只是比图3(b)好,只有63dB的衰减[2]。
|








