恒流源原理示意图
时间:2023-03-11来源:佚名
|
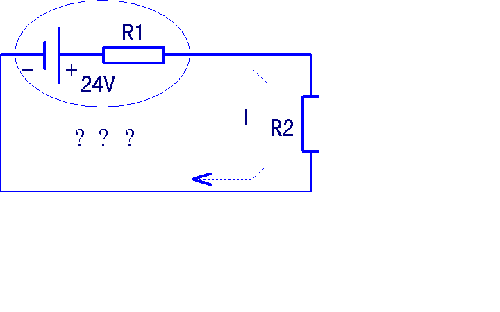
恒流源。具有极大的电阻内阻,其电源内阻大大于负载电阻,因而输出电流的大小取决于其内阻,而近乎与负载电阻无关。可进一步用图1的示例说明。
图1 恒流源原理示意图 图中R1为电源内电阻,假定为1000Ω(或更大),负载电阻的变化范围为0~10Ω,由此可见回路电流I的大小,基本上取决于R1的大小,与R2的变化关联不大。同时恒流源对负载电阻有要求,应使R2远远小于R1。或者反过来说,相对于负载电路,恒流源电路应该有足够高的内阻才成。 当回路电流I不变的前提条件成立以后,负载电阻R2的变化,将导致R1、R2分压值的变化,即R2两端电压是随R2的大小而变化的。极限状态是当R2极大或断路时,R2两端的电压等于24V。如果更进一步,当R1(电阻内阻)可调时,则能灵活调整恒流输出,即成为一个方便的“限流电源”。 码 变频器的4~20mA电流信号输入端子电路,及相关仪表电路,均具有恒流源特性,当回路连接(R2)正常时,R2两端的电压较低,如为1~5V,当回路呈开路状态时,R2两端变为24V,即是这个道理。 将R2两端作为输出端,当R2变化时,为维持恒流不变,可见R2两端的电压是变化的,是利用回路电压的变化来保持了恒流输出。I=V/R,若维持I不变,当R2变化时,R2两端的电压也在同步线性变化。 根据这个特点,可以判断电源是否具备恒流源特性,及电源本身的好坏。 |









