具有自锁、互锁功能的PLC梯形图程序
时间:2023-03-11来源:佚名
|
1.具有自锁功能的程序 利用自身的常开触点使线圈持续保持通电即“ON”状态的功能称为自锁。如图1所示的起动、保持和停止程序(简称起保停程序)就是典型的具有自锁功能的梯形图, X1为起动信号和X2为停止信号。
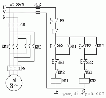
图1 起保停程序与时序图 a)停止优先 b)起动优先 图5-3a为停止优先程序,即当X1和X2同时接通,则Y1断开。图5-3b为起动优先程序,即当X1和X2同时接通,则Y1接通。起保停程序也可以用置位(SET)和复位(RST)指令来实现。在实际应用中,起动信号和停止信号可能由多个触点组成的串、并联电路提供。 2.具有互锁功能的程序 利用两个或多个常闭触点来保证线圈不会同时通电的功能成为“互锁”。三相异步电动机的正反转控制电路即为典型的互锁电路,如图2所示。其中KMl和KM2分别是控制正转运行和反转运行的交流接触器。
图2 三相异步电动机的正反转控制电路 如图3所示为采用plc控制三相异步电动机正反转的外部I/O接线图和梯形图。实现正反转控制功能的梯形图是由两个起保停的梯形图再加上两者之间的互锁触点构成。
图3 用PLC控制电动机正反转的I/O接线图和梯形图 应该注意的是虽然在梯形图中已经有了软继电器的互锁触点(X1与X0、Y1与Y0),但在I/O接线图的输出电路中还必须使用KM1、KM2的常闭触点进行硬件互锁。因为PLC软继电器互锁只相差一个扫描周期,而外部硬件接触器触点的断开时间往往大于一个扫描周期,来不及响应,且触点的断开时间一般较闭合时间长。例如Y0虽然断开,可能KM1的触点还未断开,在没有外部硬件互锁的情况下,KM2的触点可能接通,引起主电路短路,因此必须采用软硬件双重互锁。采用了双重互锁,同时也避免因接触器KM1或KM2的主触点熔焊引起电动机主电路短路。 |











