深孔钻三次进给的控制线路设计
|
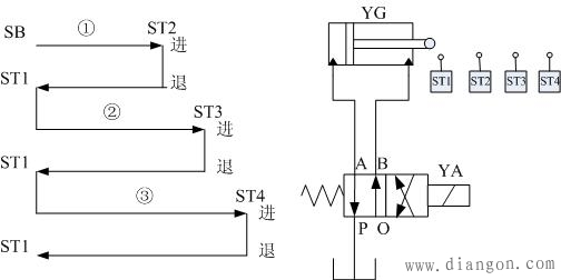
下图为其工作示意图。ST1、ST2、ST3、ST4为行程开关,YA为电磁阀。
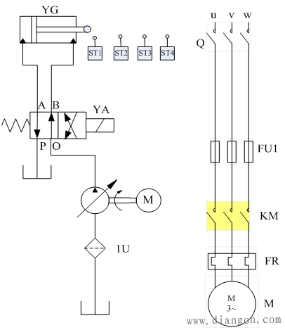
首先必须明确控制线路的主电路和控制逻辑,将液压系统图补充完整如下。
用电动机M驱动液压泵,用接触器KM控制电动机M。从上图的二位四通阀可以看出,当电磁铁YA通电时,左位接通,液压缸YG右腔进油,左腔排油,液压缸轴回缩,动力头执行“退”动作; YA断电时,在复位弹簧作用下,右位接通,液压缸YG右腔排油,左腔进油,液压缸轴伸出,动力头执行“进”动作。 下面考虑控制线路,首先确定控制线路中的电磁铁线圈。可以确定的线圈包括KM和YA,此外,动作过程中包括了YA长期通电的环节(执行“退”动作时),因此需要有另一个继电器的控制触点保持YA的长期通电,我们不妨使用一个中间继电器K1。于是给出初步控制线路框架如下。 图中的虚线表示待设计的控制环节。 考虑启动过程,根据工作示意图,按下按钮SB,循环启动,亦即KM得电并自锁,添加元件如图①。 当动力头退回时,YA应长期通电,当动力头前进时,YA长期断电。我们不妨用K1的一个常开触点控制这一过程,如图②。
最后考虑循环控制。当ST2、 ST3或 ST4之一被触碰时,动力头都将改进为退,即此时YA都将得电,亦即K1得电,因此应该让行程开关ST2、 ST3、 ST4的动合触点与K1的自锁触点并联后与中间继电器K1串联,如下。
为了进一步考虑循环控制过程,不妨将上述环节填入控制线路框图,如下。
当动力头退回ST1处时,K1及YA均应失电,因此在K所在支路应串入ST1的常闭触点,如下。
当动力头最后一次退回到ST1时,KM应停止,这与ST4的动作有关,也与ST1的动作有关,要将二者联系起来,还必须再添加一个中间继电器K2。当ST4动作时,K2得电自锁,准备联合下一次ST1的动作断开整个电路,因此应将ST1的一个动断触点和K2的一个动断触点并联后串入主控制线路中,如图。
答案:
|

















