什么是低压断路器?低压断路器的作用、结构及工作原理、主要技术参数和分类
时间:2023-03-11来源:佚名
|
低压断路器是一种主要的开关电器。广泛地应用于配电系统和电力拖动控制系统,用做电源的隔离、电气设备的保护和控制。本文主要介绍低压断路器的结构、工作原理及主要性能参数等。 | ||
| 一、低压断路器的作用 | ||
|
1、用于低压配电电路非频繁通断控制; 2、在电路发生短路、过载或欠电压等故障时,自动分断电路。 | ||
|
| ![]() |
|
| 图1 低压断路器 | ||
结构:低压断路器由操作机构、触点、保护装置(各种脱扣器)、灭弧系统等组成。可实现短路、过载、失压保护。

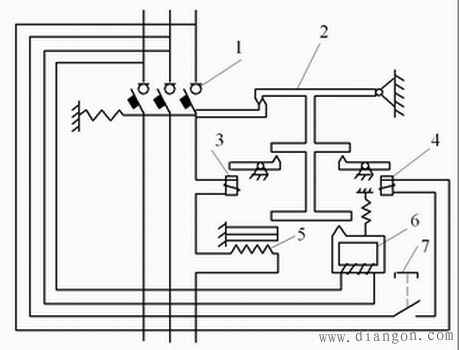
图2 低压断路器原理图

图3 塑壳式低压断路器原理图
1-主触头;2-自由脱扣器;3-过电流脱扣器;4-分励脱扣器;
5-热脱扣器;6-失压脱扣器;7-按钮

图4 断路器的符号
2、额定电流:是脱扣器能长期通过的电流。对带可调式脱扣器的断路器是可长期通过的最大电流。
3、通断能力:是指断路器在规定的电压、频率以及规定的线路参数(交流电路为功率因数,直流电路为时间常数)下,所能接通和分断的短路电流值。
4、分断时间:是指断路器切断故障电流所需的时间。
2、塑料外壳式断路器:除作配电网络的保护开关外,还可用作电动机、照明电路及电热器的控制开关,用在短路电流不太大的场合。
3、模块化小型断路器:用于半导体整流元件和整流装置的保护。
4、智能化断路器:用于短路电流相当大的电路中。










