交流接触器、热继电器、时间继电器、行程开关和按钮的结构及其在控制电路中
|
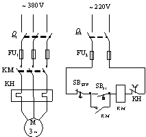
继电接触器控制大量应用于对电动机的起动、停转、正反转、调速、制动等控制,从而使生产机械按既定的要求动作;同时也能对电动机和生产机械进行保护。 交流接触器有一个铁心线圈吸引衔铁动作,还有三个主触点和若干辅助触点。主触点接在主电路中,对电动机起接通或断开电源的作用,线圈和辅助触点接在控制电路中,可按自锁或联锁的要求来联接,亦可起接通或断开控制电路某分支的作用。接触器还可起欠压保护作用。选用接触器时,应注意它的额定电流、线圈电压及触点数量。 热继电器主要由发热元件、感受元件和触点组成。发热元件接在主电路中,触点接在控制电路中。当电动机长期过载时,主电路中的发热元件通过感受元件使接在控制电路中的动断(常闭)触点断开,因而接触器线圈断电,使电动机主电路断开,起到过载保护作用。选用热继电器时,应使其整定电流与电动机的额定电流基本一致。 在自动控制系统中,有时需按时间控制原则换接电路,采用时间继电器可以达到上述要求。时间继电器种类很多,按其基本功能有通电延时和断电延时两类,它们的延时时间可按要求事先整定。本实验选用通电延时的晶体管式时间继电器,它有一个延时断开的动断(常闭)触点,一个延时闭合动合(常开)触点,这种时间继电器延时范围大。 在生产中有时需要控制生产机械的行程和位置,采用装有限位开关的控制电路可解决此类问题。限位开关又称行程开关,一般具有一对动合(常开)触点和一对动断(常闭)触点。其操作机构有直杆式、单臂滚轮式、双臂滚轮式等,它是由装在运动部件上的档块来撞动的,具有瞬时换接触点,大部分品种具有自动复位的特点。 控制电路原理图中所有电器的触点都处于静态位置,即电器没有任何动作的位置。例如:对于继电器接触器,是指其线圈没有电流时的位置;按钮是指没有受到压力时的位置 。 1.三相异步电动机直接起动和正反转控制的原理,图1是异步电动机直接起动的控制电路。先接通电源开关Q1,为电动机起动作好准备,当接通控制电路电源的开关Q2,并按下起动按钮SBST时,交流接触器线圈KM通电,其主触点闭合,使电动机M起动。KM动合(常开)辅助触点起自锁作用,以保证松开按钮SBST时,电动机仍能继续运转。若需电动机停转,可按停止按钮SBSTP。图中熔断器FU1和FU2起短路保护作用,热继电器KH起过载保护作用。 图2是异步电动机正反转控制电路,其中KMF和KMR分别是用作正反转控制的两个交流接触器。为防止接触器同时工作,而使电源通过它们的主触点发生短路,所以在控制电路中,正转接触器KMF的一个动断(常闭)辅助触点串接在反转接触器KMR的线圈电路中;反转触器KMR的一个动断(常闭)辅助触点串接在正转接触器KMF的线圈电路中,这两个动断(常闭)辅助触点起联锁作用。在图2中,如果在正转过程中要求反转,必须先按停止按钮SBSTP,使联锁触点KMF闭合后,按反转起动按钮SBSTR,电动机才能反转。
图1异步电动机 直接起动的控制电路
图2异步电动机正反转控制电路 2.故障分析方法 (1)在图1中,接通电源以后,按起动按钮SBST,若接触器动作,而电动机不转,说明主电路中有故障;如果电动机伴有嗡嗡声,则有可能有一相电源断开。检查主电路的保险丝,主触点KM是否良好,热继电器KH是否正常,联接导线有无断开等。 (2)接通电源后,按SBST若接触器不动作,说明控制电路有故障。检查控制电路的保险丝,热继电器复位按钮是否正常,停止按钮SBSTP接触是否良好,线圈及导线是否断线等。 |








