零电压与欠电压保护电气原理图解
|
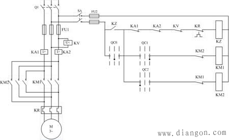
当电动机正在运行时,如果电源电压因某种原因消失,那么在电源电压恢复时,电动机就将自行起动,这就可能造成生产设备的损坏,甚至造成人身事故。对电网来说,同时有许多电动机及其他用电设备自行起动也会引起过电流及瞬间网络电压大幅下降。为了防止电压恢复时电动机自行起动的保护叫零压保护。 当电动机正常运转时,电源电压过分地降低将引起一些电器动作机构释放,造成控制线路不正常工作,可能发生事故;电源电压过分地降低也会引起电动机转速下降甚至停转。因此需要在电源电压降到一定允许值以下时将电源切断,这就是欠电压保护。一般常用电磁式电压继电器实现欠压保护。 如图1,电压继电器KZ起零压保护作用,在该线路中,当电源电压过低或消失时,电压继电器KZ就要释放,接触器KM1或KM2也马上释放。因此此时主令控制器QC不在零位(即QC0未闭合),电压恢复时,KZ不会通电动作,接触器KM1、KM2就不能通电动作。要使电动机重新起动,必须先将主令开关QC人为地打回零位,使触点QC0闭合,KZ通电动作并自锁,然后再将QC打向正向或反向位置,电动机才能起动。这样就通过KZ继电器实现了零电压保护功能。
在许多机床中的零电压保护不是用控制开关操作,而是用按钮操作的。利用按钮的自动恢复作用和接触器的自锁作用,可不必另加设零压保护继电器了。如图所示,当电源电压过低或断电时,接触器KM释放,此时接触器的主触点和辅助触点同时打开,使电动机电源切断并失去自锁。当电源恢复正常时,操作人员必须重新按下起动按钮SB2,才能使电动机起动。所以像这样带有自锁环节的电路本身已兼备了零电压保护环节。
以上电气原理图也是电动机的常用保护接线线路的汇总,它们包括: 短路保护:熔断器FU 过载保护(热保护):热继电器KR 过流保护:过流继电器KA1、KA2 零压保护:电压继电器KZ 低压保护:欠电压继电器KV |









