电动机高低速控制线路图解
时间:2023-03-11来源:佚名
|
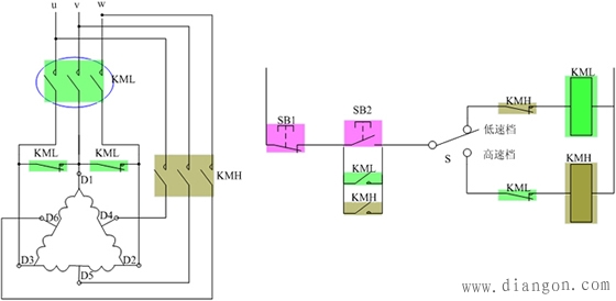
当KML线圈得电后,D1、D2、D3接三相电源,因此D4,、D5、D6悬空,电机低速运转。当KML线圈失电、KMH线圈得电后,D1、D2、D3短接,D4、D5、D6接通三相电源,电机高速运行。 |
|
当KML线圈得电后,D1、D2、D3接三相电源,因此D4,、D5、D6悬空,电机低速运转。当KML线圈失电、KMH线圈得电后,D1、D2、D3短接,D4、D5、D6接通三相电源,电机高速运行。 |





