三相交—交变频电路有哪两种接线方式?它们有什么区别?
时间:2023-03-11来源:佚名
|
三相交交变频电路主要有两种接线方式,即公共交流母线进线方式和输出星形联结方式。
下图是公共交流母线进线方式的三相交交变频电路简图。它由三组彼此独立的、输出电压相位相互错开
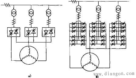
下图是输出星形联结方式的三相交交变频电路原理图。其中a为简阁, b为详圈。三组单相交交变频电路的输出端是星形联接。电动机的三个绕组也是星形联结,电动机中性点不和变频器中性点接在一起.电动机只引出三根线即可。因为三组单相交交变频电路的输出联接在一起,其电源进线就必须隔离,因此三组单相交交变频器分别用三个变压器供电。 |
的单相交交变额电路构成,它们的电源进线通过进线电抗器接在公共的交流母线上。因为电源进线端公用,所以三组单相交交变频电路的输出端必须隔离。为此,交流电动机的三个绕组必须拆开,共引出六根线。这种电路主要用于中等容量的交流调速系统。 







