泄漏电流的测量
时间:2023-03-11来源:佚名
|
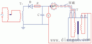
电力行业标准规定,电力设备及电缆常要进行直流耐压试验,同时要进行泄漏电流测量。反映瓷质绝缘的裂纹,夹层绝缘的内部受潮,局部松散断裂,绝缘油劣化,沿面炭化,较绝缘电流放加的直流电压较高,可能会发现 |
|
电力行业标准规定,电力设备及电缆常要进行直流耐压试验,同时要进行泄漏电流测量。反映瓷质绝缘的裂纹,夹层绝缘的内部受潮,局部松散断裂,绝缘油劣化,沿面炭化,较绝缘电流放加的直流电压较高,可能会发现 |






