什么是联锁控制?什么是电气联锁?联锁控制电路图
时间:2023-03-11来源:佚名
|
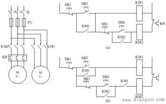
在机床控制线路中,经常要求电动机有顺序的起动,如某些机床主轴必须在液压泵工作后才能工作;龙门刨床工作台移动时,导轨内必须有足够的润滑油;在铣床的主轴旋转后工作台方可移动,这些都要求有联锁关系。 如图1,接触器KM2必须在接触器KM1工作后才能工作,这保证了液压泵电动机工作后主电动机才能工作的要求。
图(a)中,联锁环节KM1的常开触点被复用,图(b)中使用了单独的联锁环节(即KM1的一个常开触点),(a)方案节约了一个辅助触点,(b)方案条理更加清晰,可根据实际情况选用。 |









