单片机定时器/计数器综合应用举例
时间:2023-03-11来源:佚名
|
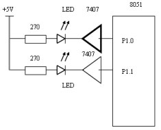
P1.0、P1.1 经 7407 驱动 LED 交替发光并以每秒一次的频率闪烁。硬件连接见下图(采用 6MHZ 晶振)
分析:闪烁周期为 1S ,亮、灭各占一半,定时时间需要 500mS 。使用 6MHZ 晶振,单片机最长定时时间仅为 131mS ,所以需要采用软件记数方法扩展定时时间。
使用定时 / 计数器 0 ,定时方式,工作方式 1 。 |
|
P1.0、P1.1 经 7407 驱动 LED 交替发光并以每秒一次的频率闪烁。硬件连接见下图(采用 6MHZ 晶振)
分析:闪烁周期为 1S ,亮、灭各占一半,定时时间需要 500mS 。使用 6MHZ 晶振,单片机最长定时时间仅为 131mS ,所以需要采用软件记数方法扩展定时时间。
使用定时 / 计数器 0 ,定时方式,工作方式 1 。 |









