如何将电气接线图转化为电气原理图
时间:2023-03-11来源:佚名
|
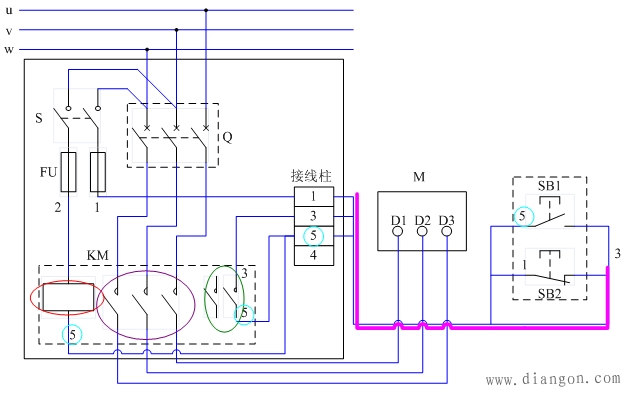
机床电气控制线路的安装接线图。其特点在于:
第一,各元器件的功能部分按照电器布置图画在一起。如上图中的接触器KM,作为实际产品,它包括一个线圈(上幅图中的红色圈中)、三相主触点(上幅图中的紫色圈中)、两个辅助常开触点(上幅图中的深绿色圈中)。 第二,多条接线线路可能汇合,但在各线端给出标识,如上图中接线柱到按钮组件的线路(上幅图中的粉色线路),“5”的线端(上幅图中的蓝色圈中)都应该是连通的。 ![]() 基于以上特点,我们可以按照下列步骤将该图转化为电气原理图。
最终得到的线路图:
|

















