电压互感器的类型及接线
时间:2023-03-11来源:佚名
|
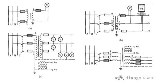
电压互感器按相数分单相、三相三芯柱和三相五芯柱式;按线圈数分双线圈和三线圈;按绝缘方式分干式、油浸式和充气(SF6)式;按安装地点分户内和户外等多种型式。 变电所中常用的电压互感器有以下四种。 1.JDJ型单相油浸式双绕组电压互感器 这种电压互感器中JDJ-6、JDJ-10为户内式;而JDJ-35为户外式。本型结构简单,常用来测量线电压。 2.JSJW型三相三线圈五柱式油浸电压互感器 与三柱式比,它增加两个边柱铁心,构成五柱式,边柱可作为零序磁通的通路,使磁路磁阻、零序电流,发热量都小,对互感器安全运行有利。 该型电压互感器有两个二次线圈,一个接成星形(Y0),供测量和继电保护用;另一个二次线圈也称辅助线圈,接成开口三角形,用来监视线路的绝缘情况。对于小接地电流(中性点不接地或经高阻抗接地)系统,辅助线圈每相电压为100/3V,正常时(对称)开口三角形两端电压近似为0,当一相接地时,开口三角形两端电压为100V。 3.JDZ型电压互感器 此型电压互感器为单相双线圈环氧树脂浇注绝缘的户内用电压互感器。优点:体积小,重量轻,节省铜及钢,能防潮,防盐雾。 4.JDZJ型电压互感器 JDZJ型电压互感器为单相三线圈环氧树脂浇注绝缘的户内用电压互感器,可供中性点不直接接地系统测量电压、电能及单相接地保护用。其构造与JDZ型相似,不同处是增加一个辅助次级线圈。3台JDZJ型电压互感器可代替一台JSJW型电压互感器使用。 电压互感器的接线方式如图所示。 图a是单相电压互感器,用于同步或测量仪表。 图b是两个单相电压互感器接成V形,这种接线方式常用于中性点不接地系统中,可测量三相的线电压,也可接电度表或功率表。 如图c是三台单相三绕组电压互感器接成Y,yn,d,广泛应用。二次侧 yn接法可用来测量相电压、线电压以及接电度表和功率表;开口三角形用来测量零序电压值,监测电网的绝缘水平。 图d是一台三相三线圈五柱式电压互感器,用于10kV以下系统,测量相电压、线电压以及接电度表和功率表;开口三角形用来测量零序电压值,监测电网的绝缘水平。 由图还可看出,电压互感器一次和二次线圈均接地,其目的是防止一、二次线圈绝缘被击穿后,危及工作人员和设备的安全,一般35kV及以下电路,电压互感器一、二次线圈均装有熔断器。其一次侧回路装熔断器是为防止电压互感器故障时波及高压电网,二次侧熔断器是当互感器过负荷时起保护作用。 |








