|
为了正确使用继电器,在选定继电器并了解其特性的同时,还需要了解一些使用上的注意事项,以确保继电器的可靠工作。 继电器在使用中有以下基本注意事项: a) 继电器的使用应尽量符合产品说明书所列的各个参数范围。 b) 额定负载和寿命是一个参考值,会根据不同的环境因素、负载性质与种类而有较大不同,因此最好在实际或模拟实际的使用中进行确认。 c) 直流继电器尽量使用矩形波控制,交流继电器尽量使用正弦波控制。 d) 为了保持继电器的性能,请注意不要使继电器掉落或受到强冲击。掉落后的继电器建议不再使用。 e) 继电器尽量使用于常温常湿,灰尘和有害气体少的环境中。有害气体包括含硫类、硅类和氧化氮类等等的气体。 f) 对于磁保持继电器,在使用前应先根据需要将置于动作或复归位置。线圈施加电压时要注意极性、脉冲宽度。 g) 对于极化继电器,请注意其线圈电压的极性(+、-)。 除此之外还有其它注意事项,以下将大致参照“表2继电器的选用原则”的顺序逐一说明。 1.触点的注意事项 触点是继电器中最重要的结构件,触点的使用寿命受触点材料、触点上的电压及电流值(特别是接通时及断开时的电压、电流波形)、负载种类、切换频率、环境情况、接触形式、触点回跳现象等的影响,触点失效多以触点的材料转移、粘连、异常消耗、接触电阻増大等故障现象出现,使用时需要注意。 为更好的使用继电器,请参考以下记述的有关触点的注意事项。 1.1 负载: 一般在产品说明书中记载了阻性负载的大小,但只有这些是不够的,应该在实际的触点电路里进行试验确认。 产品说明书中记载的最小负载并非继电器可以可靠切换的标准下限值,这个值由于通断频率、环境条件、被要求的接触电阻的变化、绝对值的不同,可靠程度是不同的。 1.1.1 电压:触点电路的电压,在断开感性电路时存在大于电路电压的反向电压,该电压越高能量越大,导致触点的消耗量和材料转移量也增大,所以需要注意继电器触点所控制负载的类型和大小。 同样电流下,继电器能可靠切换的直流(DC)电压值要比交流(AC)电压值要低得多,因为交流电流存在零点(电流为零的点),产生的电弧容易熄灭,而对于直流,产生的电弧只能在触点间间隙达到一定值以后熄灭,使得电弧持续的时间较交流情况变得更长,加剧触点的消耗和材料转移。 1.1.2 电流:触点闭合和断开时冲击电流对触点的影响很大。例如负载为电动机或者指示灯的时候,闭合时的冲击电流越大,触点的消耗量和材料转移量就越多,更易导致触点粘接而不能断开,请在实际使用时进行确认。 1.2 使用上的注意事项:指接触的触点间电阻和与触点相连的簧片及引出端的导体电阻之和的总电阻。一般以“m*”表示。除非说明书中另有说明,一般触点负载小于1A的继电器用6Vd.c.,0.1A测量接触电阻,触点负载大于1A的继电器用6Vd.c.,1A测量接触电阻。 1.2.1 避免同一继电器既通断大负载又通断小负载: 因为通断较大负载时易产生触点飞溅物,它们会附着于通断微小负载的触点上,导致触点故障,因此,请避免同一继电器既通断大负载和又通断小负载。若不得不这样使用时,在安装时请将通断微小负载的触点置于通断较大负载的触点的上方,但继电器的可靠性会受到影响。 1.2.2 两组触点并联的注意事项:两组触点并联时可以提高接通的可靠性,但不能提高负载的能力,因为两组触点不可能同时打开或闭合。 1.2.3 关于触点动作与交流负载相位同步的问题: 继电器触点动作与所切换负载的交流电源相位同步时,如果触点总是在负载电压较高时接通或断开,如图,会增加触点的粘接或材料转移,从而引起继电器过早失效,请在实际使用中确认是否用随机相位通断。用计时器、微型计算机等驱动继电器时,有电源相位同步的情况。
 图1
1.2.4 高温下的电耐久性:继电器在高温下使用时,电耐久性会比常温下使用要低,所以请在实际使用中进行确认。 1.2.5 多组触点与负载的连接:在有多组触点时,请把触点尽量排列在电源的同一极,负载在电源的另一极,如图2(a),这样可以防止触点与触点间存在电压差造成触点间短路的可能。避免象图2(b)那样接线。
 图2
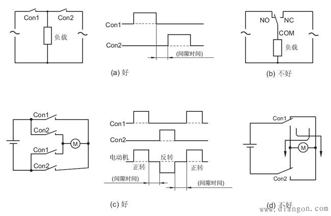
1.2.6 应避免因触点粘接、电弧导致的短路:在电路中,应考虑以下几点(参见图3): 1) 一般继电器的触点间隙都比较小,应考虑到可能由于触点间电弧引起短路的情况。请不要使用图3(b)的电路。推荐使用图3(a)所示电路,并在触点Con1和Con2动作之间设定一定的间隔时间。 2) 应考虑在触点间粘接或错误动作造成短路时,也不应产生过电流,造成电路超负荷或烧损。 3) 注意不要使用图3(d)所示的用两组转换触点构成电动机正、逆转电路。推荐使用图3(c)所示电路,并在触点Con1和Con2动作之间设定一定的间隔时间。
 图3 1.2.7 避免触点组间短路:由于电气控制设备的小型化使得控制用元器件也趋于小型化,因此在使用有多组触点继电器时,请注意负载的种类及各组触点间的电压差情况,推荐各组触点间最好不要存在过大的电压差,以避免触点组间短路。 1.2.8 使用长导线时的注意点: 在继电器触点电路中,使用数十米以上的长导线时,由于导线内有寄生电容量存在,会产生冲击电流,请在触点电路上串联电阻(约10Ω ~ 50Ω),如图4。
 图4 1.2.9 磁保持继电器触点的注意事项:在出厂时,一般磁保持继电器均设置为复归状态,但在运输时或继电器安装时由于受到冲击等可能会变为动作状态,所以建议使用时(电源接入时)根据需要把它设置为必要的状态。 1.3 触电保护 1.3.1 冲击电流和反向电流:接通电动机、电容、螺线管和灯负载时,会引起数倍于稳态电流的冲击电流。 断开螺线管、电动机、接触器等感性负载时,会引起数百 ~ 数千伏的反向电压。一般常温常压下空气的临界绝缘破坏电压是200 ~ 300V,所以如果反向电压超过此值的时候,在触点间就会产生放电现象。 冲击电流和反向电压均会使触点受到很大损害,明显缩短继电器的使用寿命,因此适当的使用触点保护电路,可以提高继电器的使用寿命。 1.3.2 触点的材料转移现象:触点的材料转移现象是指一方的触点材料转移到另一方的触点上,材料转移严重时肉眼可见触点表面的凹凸情况,如图5,这种凹凸易造成触点粘接。
 图 5 一般,触点的材料转移是由于大电流的单向流动或者容性负载的冲击电流造成,多发生在直流电路,一般表现为阳极凸、阴极凹的形状。因此适当使用触点保护电路、或使用抗材料转移较好的AgSnO触点,可缓解触点的材料转移现象。对于大容量的直流负载(数A ~ 数十A),必须在实际应用中试验确认。 1.3.3 触点的保护电路:一般感性负载比电阻性负载更容易使触点受到损伤,如果使用适当的保护电路可以使感性负载对触点的影响与电阻性负载基本相当,但请注意如果不正确使用,可能会产生反效果。
1.3.4 安装保护元件时的注意事项:在安装二极管、C-R、压敏电阻等保护元件时,必须在负载或者触点的旁边安装。如果距离过远,保护的效果将会不理想。推荐在50cm以内安装。 2. 线圈的注意事项 给线圈施加额定电压是使继电器的工作正常的基础。仅施加超过动作电压的电压时,继电器虽然可以工作,但是考虑到电源电压变动、温升等引起的变化,会影响继电器的正常工作,所以必须向线圈施加额定电压。 2.1 类型 2.1.1 交流动作型(以下简称为AC型):一般AC型继电器的工作电压基本上都是50Hz (或60Hz)的工频电压,建议尽量选用产品说明书上所列出的标准电压规格的产品,如果需要其它电压规格时,请与宏发技术人员联系确定。 对于AC型继电器,因伴有涡流损失、磁滞损失和线圈效率降低等因素,所以其温升一般比DC型高。在超出额定电压±10%时,易产生蜂鸣声,所以请注意电源电压的变动。 对于AC型继电器,线圈断电时,供电回路中不能有残留的直流分量电压,否则有可能导致继电器不能正常释放。而且残留的交流分量电压尽可能接近0VAC,否则有可能导致继电器产生蜂鸣声。 2.1.2 直流工作型(以下简称为DC型):一般DC型继电器分多为电压驱动型,建议尽量选用产品说明书上所列出的标准电压规格的产品,如果需要其它电压规格时,请与宏发技术人员联系确定。 请确认说明书上各继电器线圈的电压极性,如果附加了抑制用二极管或显示用器件时,一旦线圈的电压接反,会引起继电器动作不良,或附加器件动作不正常,甚至会引出电路短路,请注意。 另外,对于极化继电器,如果线圈上施加的电压的极性与说明书规定的相反,则继电器不会工作。 2.2 线圈输入电源 2.2.1 交流线圈的输入电源::为了使继电器稳定工作,请向线圈施加额定电压。如果向线圈施加(连续施加)不能使继电器完全动作的电压时,线圈会异常发热,致使线圈异常损耗。 AC型继电器的电源电压最好是正弦波形(sine curve),因为在正弦波形的情况下交流线圈能较好的抑制蜂鸣声,如果波形失真或畸变时,则这种抑制功能不能得到很好的发挥。图6显示了几种常见波形的例子。
 图6
如果在继电器的驱动电路上连接有电动机、螺线管、变压器等器件,当这些器件工作时,继电器线圈上的电压会降低,导致继电器的触点会发生抖动,从而引起触点的粘接、异常损耗、或不通。使用小型变压器时或没有充裕容量的变压器做电源而配线又较长时,或家庭用、商店用等配线较细时,也会出现类似线圈电压降低的现象。如果发生类似故障,请使用同步示波器等进行检测和正确调整。 如果采用电动机等变动较大的负载,请根据用途将线圈的驱动电路和电力电路分开。 如果交流继电器不能稳定工作时,可将交流变换为直流,然后选用适当的直流继电器。 2.2.2 直流线圈的输入电流:为了稳定工作,DC型继电器的线圈两端所加电压推荐使用波纹变化率小于±5%的线圈额定电压,否则继电器会工作不稳定,引起触点的粘接或异常损耗,(http://www.gdzrlj.com/版权所有)特别是在继电器的驱动电路上连接有电动机、螺线管、变压器等器件时,这种情况更明显。 作为DC型继电器的电源,有蓄电池、带滤波电容的全波(如图7)或者半波整流电路等,这些不同的电源种类会影响继电器的动作特性,所以请在实际使用中进行试验确认。
 图7 2.3 线圈的最大允许电压:线圈的最大允许电压除了受限于线圈温升和线圈漆包线绝缘层材料的耐热温度(一旦超出耐热温度,线圈会发生局部短路,甚至烧坏)之外,还受到绝缘材料的热变形、老化的影响。特别是不能损坏其它机器、危害人体安全或引起火灾,因此要限制在一定的范围之内。所以请不要超出说明书中规定的值。 最大允许电压是可以加到继电器线圈上的电压的最大值,而不是允许连续施加的值。 2.4 线圈温升 2.4.1 温升:在继电器动作过程中,线圈会发热使其温度升高。一般在接通时间为2分种以下的脉冲电压下使用时,线圈温升值与接通(ON)时间、及接通与断开(OFF)的比例有关,各种继电器基本相同,参见表1。
 表1 2.4.2 线圈温升引起的动作电压的变化:线圈的温度上升会造成线圈电阻的增加,动作电压也会相应升高。铜线的电阻温度系数为每1℃约升高0.4%,线圈电阻会按这个比例增加。产品说明书中规定的动作电压、释放电压和复归电压均是在温度为23℃时的值。 在线圈温度高于23*时,有时动作电压会超出说明书的规定值,请在实际使用中进行试验确认。 2.5 漏电流:在电路设计时,请注意避免在继电器不工作时有漏电流流过线圈,如图11所示。
 图11 2.6 线圈施加电压和动作时间:AC型继电器根据给线圈施加电压时相位的不同,动作时间上会有偏差。 DC型继电器,虽然提高给线圈施加的电压,继电器的动作时间会适当加快,但触点闭合时的回跳也会变大,在额定负载下工作或冲击电流大的情况会引起寿命降低或者触点的粘接,所以需要注意。 2.7 几只继电器的串并联使用:指在单位时间内继电器动作和释放的循环次数。 几只继电器构成串并联电路时,请注意避免因旁通电流和漏电流而引起误动作,如图12
 2.8 线圈应避免施加渐增电压:一般继电器在动作过程中,存在触点压力变化、触点抖动和接触不稳定等阶段,当在线圈上施加的电压是逐渐增加时,会使这一不稳定阶段的时间变长,影响继电器的使用寿命。为了尽量减少这种情况对继电器的影响,请尽量使用阶跃电压(采用开关电路)给线圈供电。 2.9 电源线较长时的注意事项:如果电源线较长时,请务必在测量继电器线圈两端的电压后,根据施加额定电压的原则选用继电器。 如果在与动力线等并行进行长距离配线时,当线圈电源断开时,线圈两端会由于电线的寄生电容产生电压,造成释放不良,在这种情况下,请在线圈两端连接旁路电阻。 2.10 长年连续通电:线圈长期连续通电时,由于线圈自身发热会促使线圈绝缘材料的老化、特性劣化,因此,在这种情况下,请使用磁保持型继电器。必须使用单稳态继电器时,请使用不易受外部环境影响的密封型继电器,并采用适当保护电路以防止万一接触不良或断线时造成损失。 2.11 小频率通断:通断频率低于1个月1次时,请定期检查触点接通情况。长期不通断触点时,触点表面可能会生成有机膜造成触点接触不良。 2.12 线圈电蚀:继电器长期放置在高温、高湿的环境中或者连续通电时,如果将线圈接地容易使线圈被电蚀而引起断线,所以请尽量不要将继电器线圈接地。如果线圈不得不接地,请将继电器线圈端的控制开关设置在线圈的正极端。 2.13 磁保持继电器线圈的注意事项 2.13.1 线圈电压:请确认线圈上施加电压的方向是否正确,否则继电器可能不动作。 由于磁保持继电器的特性,不允许给线圈长期施加电压,以防止继电器过热烧毁。 2.13.2 继电器的自锁:请避免使用继电器自己的常闭触点切断自己的线圈,这样会因继电器动作的不稳定性造成故障,如图13。
 图13 2.13.3 并联几只继电器使用的注意事项:当磁保持继电器线圈与其它继电器线圈或螺线管并联时,请增加二极管防止反向电压影响继电器的正常工作。 2.13.4 动作、复归时的最小脉冲宽度:为了使磁保持继电器动作或者复归,请在线圈上施加超过说明书规定的动作或复归时间5倍以上时间的矩形额定电压,之后进行操作确认。如果脉冲宽度达不到上述要求,请在实际使用中进行试验确认。
|