PAL器件的基本结构和工作原理
|
PAL 器件的基本结构是把一个可编程的 “ 与 ” 阵列的输出乘积项馈 送至 “ 或 ” 阵列, PAL 器件所实现的逻辑表达式具有 “ 积之和 ” 的形 式,因而可以描述任意布尔传递函数。 PAL 器件从内部结构上可分成五种基本类型 1.基本阵列结构 2.可编程 I/O 结构 3.带反馈的寄存器输出结构 4.异或结构 5.算术功能结构
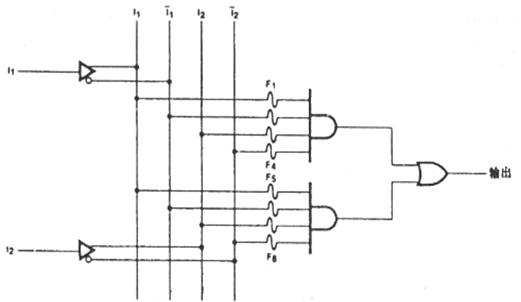
下图是 PAL 器件设计的一个 2 输入、 1 输出逻辑器件,其逻辑器件的逻辑表达 式为: Output = (f1*I1 /f1)*(f2*/I1 /f2)*(f3*I2 /f3)*(f4*/I2 /f4) (f5*I1 /f5)*(f6*/I1 /f6)*(f7*I2 /f7)*(f8*/I2 /f8) 式中 f 项反映了 PAL 器件 “ 与 ” 阵列的熔断丝状态。若熔丝被烧断, f=0; 若熔丝 未烧断, f=1; 因此,未编程的 PAL 器件的所有熔丝均完好
基本阵列结构的 PAL 器件: 单纯地由 “ 与 ” 阵列和 “ 或 ” 阵列组成。其输出 有三种配置形式:输出高电平有效,记作 H ;输出低电平有效,记作 L ; 互补输出,记作 C 。输出形式的多样化,使得一块 PAL 芯片就能替代许多 具有不同功能密度的组合逻辑块。
可编程 I/O 结构的 PAL 器件: 具有输出三态门和输出反馈的特点。 “ 与 ” 阵 列的乘积项直接控制器件的输出。一个乘积项用来使能输出三态缓冲 器,然后三态缓冲器将 “ 积之和 ” 项送到输出引脚,同时三态输出又反馈 到 “ 与 ” 阵列。
带反馈的寄存器输出结构的 PAL 器件: 当系统的时钟的上升沿到来时, 每个 “ 积之和 ” 项存入一个 D 触发器。通过使能低电平有效的输出三态缓 冲器,再将 D 触发器的输出 Q 送到输出引脚。 /Q 输出端则反馈到 “ 与 ” 阵 列,这样的 PAL 器件能记忆原先的状态,从而实现状态机中的时序逻辑 功能。如向上或向下计数、跳位、移位和分支等。
异或结构的 PAL 器件: 的特点是在输出部分增加了一个 “ 异或门 ” ,阵列 的乘积和分割成 2 个和项, 2 个和项在在 D 触发器的输入端 “ 异或 ” 后,在 系统时钟的上升沿到来时存入触发器。
算术功能结构 PAL 器件: 特点是在异或结构 PAL 的基础上增加了反馈选 通电路, 2 个和项在 D 触发器的输入端执行 “ 异或 ” 操作,可实现上次运算 产生的进位与此次运算产生的结果之间的的 “ 异或 ” 。反馈选通电路可以 对输入项 B 和 D 触发器的输出反馈项 /A 施行二元逻辑操作,以获得几种可 能的逻辑组合,如( A B )、( A /B )、( /A B )、( /A /B )。
(A B) 、 (A /B) 、 (/A B) 、 (/A /B) 四种组合馈送到 “ 与 ” 阵列,并进行 逻辑组合,便可以形成算术逻辑运算单元( ALU )或在控制器应用中所 需的 16 种可能的逻辑乘积项。下图是通过对 PAL “ 与 ” 阵列编程就能实现 16 种不同的逻辑组合。 16 种逻辑组合的卡诺图:
16 种逻辑组合的产生: (A B) 、 (A /B) 、 (/A B) 、 (/A /B) 四种组合馈送到 “ 与 ” 阵列
各厂商提供的 PAL 器件有三种产品 1.FPAL :现场可编程阵列逻辑器件,芯片上以 PAL 作标记。芯片中的阵列 结点采用高可靠性的 钛 - 钨合金熔断丝 连接,用户通过对芯片的编程写入 所需要的逻辑;价格贵,适用于样机的研制和小批量使用。 2.HMSI : ( Hard Array Logic Medium Scale Integration) 器件,芯片上以 HAL 作标 记。 HMSI 是一种以掩膜可编程 PAL 器件,采用标准的低功耗肖特基 TTL 技术。芯片中的阵列结点用 铝熔断丝 连接,价格贵便宜。用户只须将定 义好的逻辑功能交给厂商以定制 HAL 芯片,适用于大批量使用. 3.PMSI : (PAL Medium Scale Integration) 器件,芯片上以 PMSI 作标记。 PMSI 和 HMSI 均采用 门阵列结构 去实现逻辑功能;二者的区别在于: HMSI 是 通过掩膜来实现逻辑功能,而 PMSI 则完全通过 PAL 器件本身的结构来实现. |

















