异步计数器CT74290
| 输 入 |
输 出 |
| CP |
R0(1) R0(2) |
Sg(1) Sg(2) |
QA QB QC QD |
| Φ |
1 1
1 1
Φ Φ |
0 Φ
Φ 0
1 1 |
0 0 0 0
0 0 0 0
1 0 0 1 |
| ↓ |
Φ 0
0 Φ
0 Φ
Φ 0 |
Φ 0
0 Φ
Φ 0
0 Φ |
计 数 |
(二)、功能
1.直接清零:当R01=R02=0,Sg1、Sg2有低电平时, 输出“0000”状态。与CP无关
2.置9:当Sg1= Sg2= 1 时, 输出 1001 状态
3.计数:当R01、R02及Sg1、Sg2有低电平时,且当有CP下降沿时,即可以实现计数
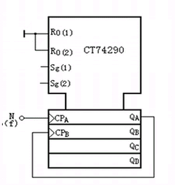
注:在外部将QA和CPB连接构成8421BCD码计数CPA入QD QA出
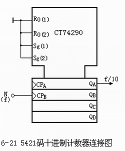
在外部将QD和CPA连接构成5421BCD码计数CPB入QA QD QC QB出
例 1:采用CT74290 设计M=6计数器
|
方法一:利用R端
M=6 态序表 N QAQBQCQD
0 0 0 0 0 1 1 0 0 0 2 0 1 0 0 3 1 1 0 0 4 0 0 1 0 5 1 0 1 0 6 0 1 1 0 |

|
例 2:采用CT74290 设计M=7计数器
|
方法二:利用S 端
M=7 态序表 N QAQBQCQD 0 0 0 0 0 1 1 0 0 0 2 0 1 0 0 3 1 1 0 0 4 0 0 1 0 5 1 0 1 0 6 0 1 1 0 7 1 0 0 1
|
 |
例 3:用CT74290 设计M=10计数器
|
要求:采用5421码计数
M=10 态序表 N QAQDQCQB
0 0 0 0 0 1 0 0 0 1 2 0 0 1 0 3 0 0 1 1 4 0 1 0 0 5 1 0 0 0 6 1 0 0 1 7 1 0 1 0 8 1 0 1 1 9 1 1 0 0
|

| |